![]()
Technische Unterlagen / Service Manual MS-404
Die Unterlagen sind urheberrechtlich geschützt und dürfen weder kopiert, noch in einer anderen Form vervielfältigt werden.
Die Unterlagen sind nur für autorisierte Service-Fachbetriebe vorgesehen. Jede Form der technischen Änderungen am MS-404 darf nur von einem autorisierten Fachbetrieb vorgenommen werden, wenn der 6-monatige Garantieanspruch nicht verloren gehen soll. Beim Öffnen des Gerätes wird das Garantiesiegel beschädigt und der Garantieanspruch geht verloren, wenn dies nicht durch einen von uns ausdrücklich autorisierten Fachbetrieb erfolgt ! Nur autorisierte Fachbetriebe können zu diesem Zweck Ersatz-Garantiesiegel von uns erhalten.
Vor dem Öffnen des Gerätes ist unbedingt der Netzstecker zu ziehen.Im Betrieb liegen im Gerät lebensgefährliche Spannungen an !
Spannungswahl 230/115 V
Im MS-404 kommen 2 Trafos mit 2x115 Primäreingängen zum Einsatz. Je nach dem ob die Primäreingänge der Trafos parallel oder in Serie geschaltet werden, ist das Gerät für 230V (Serienschaltung) oder 115V (Parallelschaltung) geeignet. Auf der Leiterbahnseite unterhalb der beiden Trafos befinden sich Lötbrücken, mit denen die beiden Spannungsvarianten realisiert werden. Die 3 Brücken mit der Bezeichnung "1" werden für die 115V-Version gesetzt, die Brücken mit der Bezechnung "2" für die 230V-Version. Die jeweils anderen Brücken dürfen nicht gesetzt werden!
Normalerweise wird der MS-404 ab Werk für 230V konfiguriert. Nur für Lieferungen nach USA und Japan werden MS-404 für 115V produziert. In diesem Fall befindet sich an der Gehäuserückseite ein Aufkleber mit dem Hinweise "115V".

1. EEPROM-Initialisierung
Ab der Software 1.03 gehen bei der EEPROM-Initialisierung als Kontrolle die beiden MIDI-Anzeige-LEDs (Gate, Glide) an. Danach muß das Gerät aus- und wieder eingeschaltet werden, um in den normalen Betriebsmodus zu gelangen. Die EEPROM-Initialisierung kann auf 2 Arten erfolgen:
1.1. Automatisch bei neuem ("jungfräulichem") EEPROM
Bei der ersten Inbetriebnahme eines Gerätes oder dem Auswechseln des EEPROMs gegen ein neues gehen die beiden LEDs an als Anzeige, daß das ein neues EEPROM gefunden und dieses initialisiert wurde. Danach muß das Gerät ausgeschaltet und erneut eingeschaltet werden. Falls dann die beiden LEDs wieder angehen, so hat die Software wiederum kein beschriebenes EEPROM gefunden, was auf ein defektes EEPROM oder einen Hardware-Fehler rund um das EEPROM hindeutet.
1.2. Manuelle Initialisierung
Sind die Parameter des MS-404 verstellt worden und das Gerät soll in den Auslieferungszustand gebracht werden, so muß die Lern-Taste während des Einschalten des Gerätes gedrückt werden. Die beiden LEDs gehen dann an, als Anzeige, daß das EEPROM neu initialisiert wurde. Danach muß das Gerät aus- und wieder eingeschaltet werden.
1.3. Initialisierungsparameter (Auslieferungszustand)
2. Bedeutung der Stiftleisten und Jumper
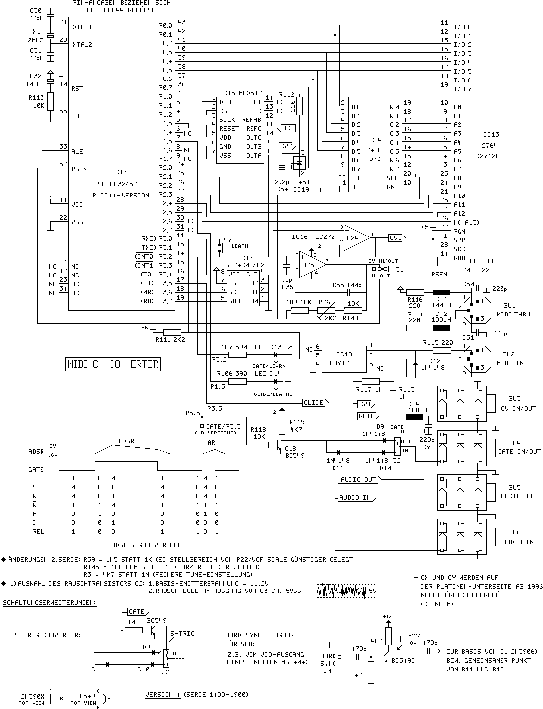
J1: CV int./ext
Mit der Brücke J1 wird festgelegt, ob die dem VCO und VCF zugeführte Steuerspannung vom internen MIDI-CV-Interface (Jumperstellung "Out", Einstellung ab Werk) kommt oder über die CV-Buchse (Jumperstellung "In") zugeführt werden soll. Der Jumper muß in die Stellung "In" gebracht werden, wenn der MS-404 nicht über MIDI, sondern über die CV/GATE-Buchsen gesteuert werden soll.
J2: GATE int./ext.
Mit der Brücke J2 wird festgelegt, ob die Gate-Buchse als Ausgang (Jumperstellung
"Out", Einstellung ab Werk) oder als Eingang (Jumperstellung "In")
betrieben werden soll. Der Jumper muß in die Stellung "In" gebracht werden,
wenn der MS-404 nicht über MIDI, sondern über die CV/GATE-Buchsen gesteuert werden soll.
Das interne und externe Gate-Signal sind über Dioden auf den Gate-Eingang des
Hüllkurvengenerators geführt, so daß auch bei Betrieb der Gate-Buchse als Eingang das
MIDI-gesteuerte Gate auch noch wirksam ist.
J3/J4: Kurvenform LFO1/LFO2
Mit diesen Jumpern können die LFO-Kurvenformen zwischen Dreieck (Voreinstellung ab Werk) und Rechteck umgesteckt werden. An den beiden äußeren Stiften stehen die beiden Kurvenformen zur Verfügung, der mittlere Stift führt zum LFO-Pegelsteller.
Anwendungsbeispiele:
J5: ext. CV VCO/PW
J5 ist eine 3-polige Stiftleiste, über die zwei externe Steuerspannungen für die Tonhöhensteuerung des VCO und die Pulsweitensteuerung des Rechtecks zugeführt werden können. Der mittlere Anschluß der Stifleiste liegt an GND.
Anwendungsbeispiele:
J6: ext. CV VCF
J6 ist eine 2-polige Stiftleiste, über die eine weitere Steuerspannung für das VCF zugeführt werden kann. Der zweite Stift liegt an GND.
Anwendungsbeispiele:
J7: ext. CV VCA
J7 ist eine 2-polige Stiftleiste, über die dem VCA eine zusätzliche Steuerspannung zugeführt werden kann. Der zweite Stift liegt an GND.
Anwendungsbeispiele:
J8: ADSR-Out
J8 ist eine 2-polige Stiftleiste, an der das ADSR-Hüllkurvensignal zur Verfügung steht. Der zweite Stift liegt an GND.
Anwendungsbeispiele:
J9: Initial Accent
Mit diesem Jumper wird festgelegt, ob - unabhängig von der Stellung des Akzent-Reglers und der MIDI-Steuerung - ein gewisser Anteil der ADSR-Hüllkurve auf den VCA gelangt (Einstellung ab Werk: Jumper gesetzt). Wird der Jumper entfernt, so gelangt bei zugedrehten Akzentregler oder MIDI-Volumen 0 oder Dynamikwert 0 (sofern Dynamikfunktion aktiviert) keine Hüllkurve auf den VCA, d.h. der MS-404 gibt kein Audio-Signal aus.
J10: Accent to VCF
Mit diesem Jumper wird festgelegt, ob die über den Akzent-Regler und MIDI bestimmte Akzent-Steuerspannung auch auf den VCF gelangt oder nicht (Einstellung ab Werk: kein Jumper).
3. Weitere wichtige Schaltungspunkte (nicht auf Jumper geführt)
VCO SYNC-Aus/Eingang
Um die VCOs von zwei MS-404 zu synchronisieren kann folgendes Verfahren angewendet werden. Ausgang von O8 (Pin 14/IC2 oder R12) über Diode (1N4148 o.ä.) und 4k7-Widerstand an die Basis von Q1 des zweiten Transistors führen. In die Verbindung zwischen R12 und der Basis von Q1 muß dann ebenfallss eine Diode geschaltet werden. Alternative: Schaltungsteil Q1, R11, R12 komplett doppelt ausführen, die Dioden entfallen dann.
VCO-Ausgänge
Falls eines der Ausgangssignals des VCOs benötigt wird (siehe z.B. Hinweise zu J6 und J7), so kann das Rechtecksignal am Ausgang von O7 (Pin 8 IC2 oder R19), das Sägezahnsignal am Ausgang von O5 (Pin 1 IC2 oder R14) entnommen werden. Der Sägezahn darf nicht zu stark belastet werden, da dies die Genauigkeit des VCOs beeinträchtigt!
4. Vorschläge für Schaltungsänderungen
Neben den in Kapitel 2 erwähnten Anwendungsbeispielen, können u.U. folgende Schaltungsänderungen sinnvoll sein.
4.1. Bereich des Tune-Reglers einschränken
Die Spannung des Tune-Reglers P2 an der Frontplatte gelangt über den Widerstand R3 (Standard-Wert 1M) auf den Summationspunkt für alle tonhöhenbestimmenden Spannungen (invertierender Eingang von O1). Soll die Tune-Einstellung feiner erfolgen, so muß R3 gegen einen höheren Wert (z.B. 2M2, 4M7, 10M) ausgetauscht werden. Je höher der Widerstandswert ist, um so feiner wird die Auflösung. Der Umfang der möglichen Tonhöhenänderung wird aber entsprechend geringer.
4.2. Mischmöglichkeit von Noise und VCO
Hierzu werden die Ausgänge von O5 (VCO Sägezahn), O7 (VCO Rechteck) und O3 (Noise) mit gegen Masse geschalteten Abschwächern (Widerstandswert ca. 47...250k) beschaltet und die Mittelabgriffe der Potentiometer über 3 Widerstände mit dem VCF-Eingang (C8 oder Mittelanschluß S2) verbunden. Die Werte der 3 Gewichtungswiderstände sollten ca. 270k (O5/VCO Sägezahn), 470k (O7/VCO Rechteck) und 100k (O3/Noise) betragen. Der Schalter S2 entfällt dann und die alten Widerstände R19, R20 und R23 sind ohne Funktion. Da nun im Extremfall alle 3 Signale auf den Filter gelangen, ist auf Übersteuerungen zu achten. Die 3 Widerstandswerte wurden daher bereits etwas höher als die ursprünglichen Werte gewählt.
4.3. Umschaltmöglichkeit zwischen ADSR- und GATE-Steuerung für VCA
Standardmäßig gelangt die ADSR-Hüllkurve über den Akzentregler P11 und den multiplizierenden DA-Wandler "C" von IC15 auf den Steuereingang des VCAs. Soll nur das VCF über die Hüllkurve gesteuert werden, so kann die Steuerung des VCAs direkt über das Gate-Signal erfolgen. In diesem Fall öffnet der VCA bei Tastendruck und schließt beim Loslassen der Taste; die ADSR-Hüllkurve hat auf den VCA dann keinen Einfluß. Hierzu wird die dem DA-Wandler "C" zugeführte Referenzspannung REFC (Pin 11/IC15) zwischen ADSR und Gate umschaltet. In Stellung "ADSR" des Umschalters wird REFC mit R68/R69 verbunden (auf ca. 5V abgeschwächte ADSR-Kurve). In Stellung "GATE" wird REFC direkt mit dem Gate-Signal verbunden (z.B. am Verbindungspunkt von D11 und D10). Der Jumper J9 (Initial Accent) muß in diesem Fall entfernt werden, da sonst die ADSR-Hüllkurve auch weiterhin auf den VCA gelangt. Falls ist Stellung "GATE" beim Öffnen des VCAs ein zu starkes Knack-Geräusch entsteht, muß das Gate-Signal über ein R/C-Glied geführt werden (R und C experimentell ermitteln, ca. 4k7 + 47nF).
4.4. Umbau des Gate-Ausgang auf S-Trigger (Switched Trigger)
Der Gate-Ausgang (BU4, Jumper J2 in Stellung "Out") ist ein Spannungsausgang, d.h. Taste gedrückt ca.+4V, Taste nicht gedrückt 0V. Soll über den Gate-Ausgang ein Synthesizer mit S-Trigger angesteuert werden (z.B. Moog), so ist eine kleine Zusatzschaltung aus einem Widerstand (ca. 10k) und einem npn-Transistor (z.B. BC547, BC549, 2N3904) erforderlich, die aus dem Spannungstrigger einen S-Trigger macht (siehe Skizze in der unteren Hälfte des Schaltplanes/2.Seite).
4.5. Hard-Sync-Eingang für den VCO
Die Zusatzschaltung, die für die Synchronisationsfunktion des VCOs benötigt wird (1 Transistor, 2 Widerstände, 2 Kondensatoren), ist in der unteren Hälfte des Schaltplanes/2.Seite angegeben. Mit dieser Schaltung können z.B. die VCOs zweier MS-404 "hard-synchronisiert" werden. Zu diesem Zweck wird der Rechteck-Ausgang des ersten MS-404 (siehe vorhergehende Seite) auf eine zusätzlich Ausgangsbuchse geführt, beim zweiten MS-404 wird die SYNC-Schaltung mit einer zusätzlichen SYNC-Eingangsbuchse vorgesehen. Die beiden Buchsen werden miteinander verbunden.
Die SYNC-Funktion dient zur Erzeugung neuer Wellenformen (z.B. "Mehrfach-Sägezahn"). Besonders interessant ist es, die Frequenz des synchronisierten VCOs (der VCO mit der SYNC-Schaltung) mit einem LFO oder ADSR zu modulieren. Die Tonhöhe wird dann zwangsweise vom anderen VCO synchronisert, es ändert sich jedoch ständig die Kurvenform. Den Klang muß man gehört haben, er läßt sich schwer beschreiben (klingt jedenfalls ziemlich abgefahren).
4.6. Logarithmischer Potentiometer für Resonanzregelung
Für den Resonanzregler P10 wurde bei den ersten 550 Geräten ein linearer Drehpotentiometer eingesetzt. Die Resonanzregelung ist hierbei sehr grob (hohe Resonanzwerte und Selbstoszillation kommen erst ganz am Ende des Regelbereichs). Der lineare Poti wurde daher ab dem Gerät Nr. 551 durch einen umgekehrt logarithmischen Potentiometer (50k) ersetzt. Hierdurch läßt sich die Resonanz und das Einsetzen der Selbstoszillation feinfühliger einstellen. Ein Ersatz-Poti C50K (50K negativ logarithmisch) kann bei uns als Ersatzteil zu 2.00 Euro (zuzüglich Versandkosten+ ggf. Mindermengenzuschlag) bezogen werden. Soll der Austausch bei Doepfer durchgeführt werden, so wird die für den Austausch benötigte Arbeitszeit zusätzlich in Rechnung gestellt.
5. Abgleich
5.1. Abgleich des MIDI-CV-Interfaces:
P26 so abgleichen, daß am Operationsverstärker-Ausgang (IC16) genau 1.00V/Oktave erscheinen. Hierzu zuerst den Referenzton (default: 36) über MIDI-In auslösen, Spannungswert notieren (einige mV). Danach MIDI-Note 5 Oktaven höher auslösen und P26 so justieren, daß der Spannungswert 5.00 V darüber liegt. Nochmals Referenzton prüfen und ggf. Justierung wiederholen.
5.2. Temperaturabgleich VCO:
Zwei Transistoren im Transistorarray IC3/CA3046 werden zur Heizung des Chips verwendet, um eine konstante Temperatur auf dem Chip zu erhalten. Der Transistor an den Pins 6/7/8 arbeitet als "Heizer" (Th), der Basis-Emitter-Übergang des Transistor an den Pins 9/10/11 als "Fühler" (Tf). R29 begrenzt den maximalen "Heizstrom". Mit dem Operationsverstärker O2 wird die Fühlerspannung mit einer mit P19 einstellbaren Spannung verglichen. Je nachdem ob die Vergleichsspannung und damit die Temperatur auf dem Chip schon erreicht ist oder nicht "heizt" der Transistor Th bis die gewünschte Temperatur erreicht ist. Die Vergleichsspannung läßt sich mit P19 etwa im Bereich 0.55...0.64 V einstellen. Mit P19 wird somit die Temperatur auf dem CA3046-Chip eingestellt.
Zum Abgleich wird R28 einseitig ausgelötet, so daß keine Verbindung zwischen der Basis des Transistors im CA3046/Pin 6 und dem Ausgang des Operationsverstärkers O2 (Pin 7/IC1) mehr besteht. Das Gerät wird bei Zimmertemperatur (ca. 22 Grad) in Betrieb genommen und die Spannung am nicht invertierenden Eingang von O2 (Pin 5/IC1 oder an R27 oder Pin 9/IC3) gemessen (= Temperaturspannung bei Zimmertemperatur). Der Wert wird notiert (falls das Gerät zuvor mit eingebautem R28 in Betrieb war, ca. 15 min. warten, damit sich das Transistorarray wieder abkühlt). Danach wird das Gerät abgeschaltet, R28 wieder eingelötet und dann das Gerät wieder eingeschaltet. Ca. 5 Minuten warten und dann wieder die Spannung wie oben messen. Die gemessene Spannung mit P19 so einjustieren, daß diese ca. 60mV unter dem zuvor notierten Wert liegt. Der Temperaturkoeffizient der Basis-Emitterspannung liegt je nach Transistortyp bei ca. 2 mV/Grad, 60mV entsprechen daher rund 30 Grad Temperaturerhöhung gegenüber Zimmertemperatur.
5.3. VCO-Scale, High-End-Trimm + Offset
Das Gerät sollte vor dieser Justierung bereits etwa 30 Minuten in Betrieb sein, um nachträgliche Abweichungen auszuschließen.
Mit dem VCO-Offset-Trimmpotentiometer P16 wird die absolute Tonhöhenlage so einjustiert, daß bei Mittelstellung von P2 (Tune) und dem Empfang des Referenztones (tiefstmöglicher Ton) eine VCO-Frequenz von ca. 32 Hz resultiert. 32,703 Hz entsprechen der Tonhöhe eines "C" mit MIDI-Code 24 (dezimal). Auf Kundenwunsch kann der VCO auch eine Oktave höher gestimmt werden (65,406 Hz = "C" mit MIDI-Code 36). Da der MS-404 vermutlich häufig im Baßbereich eingesetzt wird, sollte jedoch genügend Reserve nach unten sein, daher die Standard-Justierung auf MIDI-Code 24.
5.4. 1V/Oktave und Offset des VCFs
Die 1V/Oktave-Charakeristik des VCFs wird mit P22 eingestellt. Hierzu VCO/Noise abschalten, VCF-Resonanz auf Maximum (Eigenschwingung), VCF-Contour und LFO-Amplitude auf Minimum, keine MIDI-Velocity oder Controller auf VCF legen. Keyboard-Follow-Schalter auf voll stellen. Am VCF-Ausgang erscheint nun eine Sinus-Schwingung und der VCF arbeitet quasi als Sinus-VCO. P22 so abgleichen, daß in etwa 1V/Oktave erreicht wird, d.h. korrektes Spiel möglich ist. Dieser Abgleich ist nicht so kritisch wie der 1V/Oktave-Abgleich des VCOs, eine Genauigkeit über 2-3 Oktaven ist ausreichend. Falls sich mit P22 nicht die gewünschte Spreizung einstellen läßt (d.h. P22 im Anschlag, müsste aber noch weiter gedreht werden), so ist R59 (1k 1%) gegen einen etwas größeren Wert (1k5 1%) auszutauschen.
Die Frequenz-Offset-Einstellung mit P21 ist nicht kritisch. In Mittelstellung von P6 (VCF Frequency) sollte das Filter bei voll aufgedrehter Resonanz mit ca. 500 Hz schwingen. Alle anderen Parameter oder Regler, die die VCF-Frequenz beeinflussen müssen dabei abgeschaltet sein: Regler für Envelope (P7) und LFO-Level (P8) auf Minimum, VCF-Tracking abgeschaltet, MIDI-Filtersteuerung auf Minimum (d.h. Controllerwert auf Null, im diesem Zustand befindet sich der MS-404 z.B. unmittelbar nach dem Einschalten, solange noch kein MIDI-Controller empfangen wurde).
5.5. VCA-Steuerspannungsdurchgriff
Der VCA-Steuerspannungsdurchgriff wird mit P23 eingestellt. Hierzu VCO/Noise abschalten, Sustain auf Null, kurze Attack- und Decay-Zeit einstellen, und P23 so justieren, daß das "Knack"-Geräusch am Audio-Ausgang minimal wird.
5.6. Minimale ADSR-Zeiten
Mit R103 werden die minimalen Ein/Ausschwingzeiten festgelegt. Der sinnvolle Bereich für diesen Widerstand liegt bei 0....1k. Standardmäßig wird R103 mit 100 Ohm bestückt. Falls die minimal möglichen Zeiten länger oder kürzer sein sollen, kann R103 gegen einen Wert 0 (Brücke) .... 1k ausgetauscht werden.
5.7. Auswahl des Rauschtransistors Q2
Die Basis-Emitterspannung von Q2 muß unter 11.2V liegen. Bei B-E-Spannungen zwischen 11.2V und 11.9V arbeitet der Rauschgenarator zwar u.U. korrekt, durch Temperaturänderung oder Bauteilealterung ist ein späteres Aussetzen des Rauschsignals aber nicht auszuschließen, da die Durchbruchspannung des Transistors zu Nahe an der Spannungsversorgung von 12V liegt. Bei B-E-Spannungen in der Nähe der Versorgungsspannung (11.9...12V) arbeitet der Rauschgenerator überhaupt nicht (Durch-bruchspannung zu hoch). Das Rauschsignal am Ausgang von O3 sollte bei ca. 5Vss liegen. Der subjektive Lautstärke-Eindruck sollte beim Umschalten zwischen VCO und Noise etwa gleich bleiben.
6. Aufbauhinweise für die Produktion
Metallfilmwiderstände 1% sind auf dem Bestückungsdruck mit einer Eckmarkierung versehen, bei den Kohleschichtwiderstände 5% ist keine Eckmarkierung vorhanden (teilweise gleiche Werte: z.B. 100k 5% und 1%).
R28 zunächst weglassen oder nur einseitig anlöten (näheres hierzu siehe Abschnitt
"Abgleich").
R20 wird stehend eingebaut.
P24 und P25 werden nicht bestückt (LED-Helligkeits-Justierung). Stattdessen werden die
Festwiderstände R96 und R97 eingesetzt.
Soweit Verwechslungsgefahr besteht, sind keramische Kondensatoren auf dem Bestückungsdruck mit einer Eckmarkierung versehen, bei Folienkondensatoren ist keine Eckmarkierung vorhanden (z.B. kommen 0.1u/100n sowohl als Folien- wie auch als keramischer Typ vor). Wenn keine Verwechslungsgefahr besteht (z.B. 22pF, 100pF) sind auch die keramischen Kondensatoren ohne Eckmarkierung.
Für C3 muß ein Folienkondensator oder ein ausgesuchter keramischer Kondensator 100...150pF eingesetzt werden (bei unselektiertem keramischen Kondensator arbeitet die VCO-Schaltung u.U. nicht korrekt).
Für C10...C13 können Werte von 22...47nF verwendet werden, jedoch auf einer Platine 4 gleiche Werte !
Statt 0.1uF Folie können 0.82...0.22uF (z.B. 0.15uF), statt 10nF Folie können 10...22nF (z.B. 12nF) eingesetzt werden.
Für folgende Trimmpotentiometer kann ein Widerstandswert im Bereich 10k...100k eingesetzt werden, da es sich nur um Spannungsteiler handelt, die aus der Versorgungsspannung eine variable Spannung ableiten: P16, P21, P23. Um die Stromaufnahme der Schaltung nicht unnötig zu erhöhen sollte jedoch ein möglichst hoher Wert (50k/100k) eingesetzt werden (bei 10k fließen immerhin 2*12V/10k = 2.4 mA).
Für IC17 kann ein beliebiges EEPROM der 24CXX-Serie verwendet werden, auch die kleinste Version (24C01 = 1k-Bit = 128 Byte) ist geeignet, da wesentlich weniger als 128 Parameter abgespeichert werden. Die Software erkennt (hoffentlich) automatisch beim Einschalten den EEPROM-Typ und stellt sich darauf ein.
Der Rauschtransistor Q2 muß eventuell für ausreichenden Rauschpegel ausgemessen werden (kann erst in der Serie endgültig geklärt werden).
Für Q16 kann entweder ein pnp-Transistor der BC-Serie (z.B. BC559) oder ein 2N3906 verwendet werden. Die im Bestückungsplan gezeichnete Ausrichtung gilt für BC559, bei 2N3906 ist die Polung seitenverkehrt (siehe auch die diebezügliche Skizze auf dem Bestückungsplan neben BU2/MIDI IN).
Zur Ausrichtung der 4 LEDs muß vor dem Festlöten der LEDs die Frontplatte von vorne aufgesteckt werden (die 6 Kippschalter dienen dabei als Führung). Bei LEDs mit kurzen Beinchen muß für D14 eventuell zuvor eine 2-polige Stiftleiste in die Platine eingesetzt werden.
Spezielle Hinweise zur 1.Serie (Auflage 700)
(Ser.Nr. 1994: 941201-941400 und 1995: 950001-950500)
Gegenüber dem Bestückungsplan geänderte Bauteilewerte:
R70 wird mit 2k2 anstatt mit 4k7 bestückt, R71 wird mit 4k7 anstatt mit 10k bestückt, R103 wird mit 100 Ohm anstatt mit 1k bestückt (Hinweis 4.6), R59 wird mit 1k5 1% oder 1k82 1% statt 1k 1% bestückt (Hinweis 4.4), R3 wird mit 4M7 anstatt 1M bestückt (Hinweis 3.1).
Ab Ser.Nr. 950501 wurden die Werte auf dem Bestückungsdruck entsprechend geändert.
Neu ab Ende 97:
Für die Montage der beiden Leuchtdioden D13 und D14 wird zunächst eine 4-polige 2-reihige Stiftleiste bestückt (oder zwei 2-polige 1-reihige Stiftleisten), an die die Leuchtdioden später angelötet werden. Hierdurch gestaltet sich die spätere Montage und das Einpassen der LEDs in die Frontplatte einfacher. Außerdem muß bei in einem eventuellen Service-Fall bei einer defekter LED nicht die Platine ausgebaut werden.
7. Mechanischer Aufbau
Vor dem Einbau der Platine in das Gehäuse müssen eventuell auf der Platinenunterseitze überstehende Drähte gekürzt werden, da der Abstand zwischen Platine und Gehäuseboden nur 5 mm beträgt. Insbesondere die 220V führenden Bauteiledrähte unter den beiden Trafos müssen soweit als möglich gekürzt werden, damit der Abstand zum Gehäuse möglichst groß ist. Zusätzlich kann der Gehäuseboden unter den 220V führenden Leiterbahnen mit einem isolierenden Material beklebt werden (z.B. unbeschichetes Platinenmaterial mit doppelseitigem Klebeband, dickes Gewebe-Isolierband, Gaffa-Tape o.ä.).
Die Platine wird mit 7 Abstandsbolzen mit 5 mm Länge am Gehäuseboden montiert. Es muß dabei niederohmiger, elektrischer Kontakt zwischen dem Gehäuse und der Schutzerde sichergestellt werden. Hierzu wird der Lötstoplack rund um die Montagebohrung des rechten hinteren Abstandsbolzens an der Unterseite der Platine abgekratzt (oberhalb des Schutzleiter-Zeichens). Auch am Gehäuseboden muß rund um das Montageloch dieses Abstandsbolzens der Lack abgekratzt werden. Nach erfolgter Montage der Platine im Gehäuse wird mit einem Ohmmeter überprüft, ob die Verbindung zwischen Gehäuse und Schutzleiter vorhanden ist. Zusätzlich können Zahnscheiben bei der Montage verwendet werden, um die elektrische Verbindung zum Gehäuse sicherzustellen.
Danach wird die Frontplatte am Gehäuse montiert. Falls der Lern-Taster klemmt, muß das zugehörige Loch von der Rückseite her angesenkt werden. Danach werden die Drehknöpfe aufgesteckt.
In die Rückplatte wird die Netzeingang/Sicherungshalter/Schalter-Kombination eingepresst. In den Sicherungshalter wird die Sicherung eingesetzt. Die elektrische Verbindung zwischen Netz-Kombi und Platine erfolgt über direkt eingelötete Kabel (die ursprünglich vorgesehenen Flachstecker werden nicht verwendet). Für den Schutzleiter muß ein gelb/grünes Kabel verwendet werden. Der Schutzleiter muß unbedingt angeschlossen werden und nach erfolgter Montage der Durchgang zwischen Schutzleiter und Gehäuse nochmals mit einem Ohmmeter geprüft werden.
Die Rückplatte wird zusätzlich zu den Gehäuseschrauben mit den Muttern der 4 Klinkenbuchsen befestigt.
8. Bauteileliste MS-404
Schaltbild MS-404 Teil 1

Schaltbild MS-404 Teil 2


