A-135-5 Polyphonic Voltage Controlled Mixer / Suboctave Generator / Voltage Controlled Quadrophonic Mixer

Ausführlicher Test mit Audio-Beispielen: https://a100.ideenhase.de/2024/03/01/a-135-5-polyphonic-mixer/
Detailed report with audio examples (German language):
https://a100.ideenhase.de/2024/03/05/a-135-5-polyphonic-mixer/?lang=en

Unser Kunde Markus Horn hat die neuen Module 101-8, A-135-5, A-147-4 und A-171-4 getestet und dazu einen ausführlichen Bericht verfasst, der im Synthesizer-Magazin #98 im August 2023 erschienen ist.
Die folgenden beiden Videos dienen zur Veranschaulichung des Geschriebenen: https://youtu.be/4_BHqh5DJKg  (A-101-8 + A-135-5 + A-171-4) und https://youtu.be/o8EN6e3066s (A-147-4) 

Our customer Markus Horn tested the new modules 101-8, A-135-5, A-147-4. A detailed report has been published in the Synthesizer-Magazin #98 in August 2023 (in German language).
These are the related videos:  https://youtu.be/4_BHqh5DJKg  (A-101-8 + A-135-5 + A-171-4) und https://youtu.be/o8EN6e3066s (A-147-4)


Weitere Demos / more demos:
https://www.youtube.com/watch?v=RQFquz8hg5M (Sonic State Superbooth 2023)
https://youtu.be/vq92HaIXgDY
(proaudio Superbooth 2023)


click to enlarge

Standard Edition

Vintage Edition

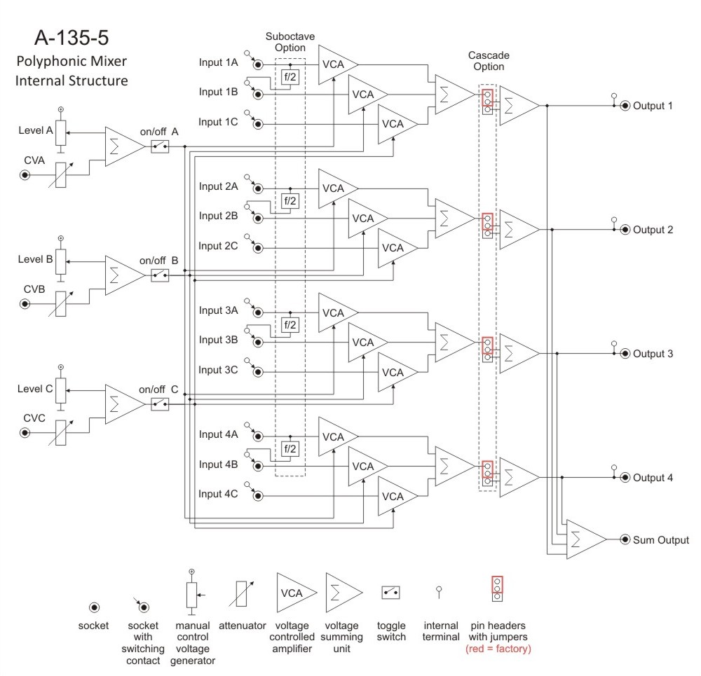
  Das Modul A-135-5 ist eine Kombination aus spannungsgesteuertem polyphonen Mixer und polyphonem Suboktav-Generator. Es besteht aus 12 linearen spannungsgesteuerten Verstärkern (VCAs), die in Form einer 4x3-Matrix aufgebaut sind. Hiermit können bis zu drei vierstimmige polyphone Signale (z.B. die Ausgänge von drei polyphonen VCOs A-111-4) gemischt werden. Die Lautstärke jedes der drei polyphonen Kanäle (A, B, C) mit jeweils vier Stimmen kann manuell und über externe Steuerspannungen mit zugehörigen Abschwächern eingestellt werden.
Zusätzlich verfügt das Modul über vier Frequenzteiler, die aus den vier Eingangssignalen des ersten Kanals (A) die vier Suboktaven ableiten und den Schaltkontakten der Buchsen des zweiten Kanals (B) zugeführt werden. So lange die vier Buchsen des Kanals B nicht gepatcht werden, stehen also hier die Suboktaven der vier Signale von Kanal A zur Verfügung. Die Suboktaven sind symmetrische Rechtecksignale mit der halben Frequenz des zugehörigen Eingangssignals. Werden beispielsweise nur zwei polyphone VCOs A-111-4) eingesetzt, die an die Kanäle A und C angeschlossen sind, so liefert Kanal B die Suboktaven zu den Signalen des Kanals A.
Da das Modul komplett gleichspannungsgekoppelt ist, kann es auch zum Mischen von Steuersignalen in einer polyphonen Umgebung eingesetzt werden (z.B. zum Mischen von Hüllkurven, LFOs oder anderen Steuersignalen).
Die Schaltkontakte der 12 Eingangs-Buchsen und die 4 Ausgänge sind mit Stiftleisten verbunden, so dass das Modul intern mit anderen polyphonen Modulen vorverkabelt werden kann (beispielsweise die 4 Eingänge A mit einem A-111-4, die 4 Eingänge C mit einem weiteren A-111-4 und die Ausgänge mit dem polyphonen Filter A-105-4). Da die Schaltkontakte der Buchsen für die interne Verkabelung verwendet werden, kann die interne Vorverkabelung jederzeit überschrieben werden, indem die Buchsen an der Frontplatte beschaltet werden.

Das Modul verfügt über folgende Bedienelemente und Ein/Ausgänge:

  • Regler Lev.A, Lev.B, Lev.C: manuelle Einstellung der Pegel der Kanäle A, B und C.

  • Regler CV A, CV B, CV C: Abschwächer für die am betreffenden CV-Eingang anliegende Steuerspannung

  • Kippschalter Mute A, B, C: Mute-Schalter für die Kanäle A, B und C, in der unteren Position des Schalters wird der betreffende Kanal abgeschaltet

  • Buchsen A1...4: Eingänge Kanal A

  • Buchsen B1...4: Eingänge Kanal B (falls die Buchsen nicht beschaltet sind, stehen hier die Suboktav-Signale zur Verfügung)

  • Buchsen C1...4: Eingänge Kanal C

  • Buchsen CV A. CV B, CV C: Steuerspannungseingänge für die Kanäle A, B und C

  • Buchsen Out 1...4: Ausgänge 

  • Buchse Sum: Summen-Ausgang, speziell für paraphone Anwendungen (d.h. nur ein VCF/VCA für alle Stimmen) 

Technische Hinweise:

  • Bei Bedarf können zwei oder mehr Module kaskadiert werden, falls mehr als 3 Kanäle benötigt werden.

  • die maximale Gesamt-Verstärkung ist kleiner als 1, um Übersteuerungen zu vermeiden (kann auf maximale Verstärkung 1 durch Austauschen von Widerständen geändert werden, dann besteht jedoch die Gefahr von Übersteuerungen)

  • die zulässigen Eingangspegel ohne zu Übersteuern liegen bei ca. 16Vss (bzw. -8V ... +8V bei der Verarbeitung von Steuersignalen) 

  • Der Spannungsbereich für jeden der CV-Eingänge liegt bei ca. 0...+5V (bei voll aufgedrehtem Abschwächer), höhere Steuerspannungen (z.B.  0...+10V) können mit Hilfe des Abschwächers entsprechend angepasst werden

  • Der Pegel der Suboktaven beträgt 5Vss

  • Das Modul sollte nur mit gleichspannungsgekoppelten VCO-Ausgängen betrieben werden (z.B. A-111-4, A-111-3). Bei wechselspannungsgekoppelten VCO-Ausgängen (z.B. A-110-1, A-110-2) entsteht ein Gleichspannungs-Offset am Ausgang, sofern die Suboktave-Option installiert ist. 

  • Das Modul kann auch als spannungsgesteuerter quadrophonischer Mixer für drei quadrophone Klangquellen eingesetzt werden.

Das folgende Dokument erläutert die Positionen und Funktionen der internen Stiftleisten und beschreibt die Kaskadierung von zwei A-135-5: A135_5_internal.pdf.


Module A-135-5 is a combination of a voltage controlled polyphonic mixer and a polyphonic suboctave generator. It is made of 12 linear voltage controlled amplifiers (VCAs) which are arranged in form of a 4x3 matrix. Herewith up to three four-voice polyphonic signals (e.g. the outputs of three polyphonic VCOs A-111-4) can be mixed. The level of each of the three polyphonic channels (A, B, C) with four voices each can be controlled manually or by means of an external control voltage with associated attenuators.
In addition the module features four frequency dividers which derive the suboctaves from the four input signals of channel A. The suboctave signals are wired to the switching contacts of the sockets of channel B. As long as the sockets of channel B are not patched the suboctave signals of channel A are used as inputs for channel B. The suboctaves are symmetrical rectangle waves with half the frequency of the corresponding signal A. For example two polyphonic VCOs A-111-4) can be used and patched to the channels A and C. Channel B then provides the suboctaves of channel A.
As the module is fully DC coupled it can be used also for the mixing of control voltages in a polyphonic environment (e.g. for envelopes, LFOs or other control voltages).
The switching contacts of the 12 input sockets and the four outputs are internally connected to pin headers. That way the module can be internally pre-patched to other polyphonic modules (e.g. the four inputs A to an A-111-4, the four inputs C to another A-111-4 and the outputs to the polyphonic filter A-105-4). As the switching contacts of the sockets are used for the internal pre-patching the internal patch can be overridden by using the sockets at the front panel.

The module has these controls and in/outputs available:

  • Controls Lev.A, Lev.B, Lev.C: manual level adjustment of the channels A, B and C

  • Controls CV A, CV B, CV C: attenuators for the corresponding control voltage inputs

  • Toggle switches Mute A, B, C: mute function the channels A, B and C, in the lower position of the switch the corresponding channel is muted 

  • Sockets A1...4: inputs channel A

  • Sockets B1...4: inputs channel B (if the sockets are not patched the suboctave signals are used for the inputs B)

  • Sockets C1...4: inputs channel C

  • Sockets CV A. CV B, CV C: control voltage inputs for the channels A, B and C

  • Sockets Out 1...4: outputs

  • Socket Sum: sum output, especially for paraphonic applications, i.e. only one VCF/VCA for all voices

Technical notes:

  • If required two or more modules can be cascaded when more than three polyphonic channels are required.

  • the max. overall amplification is less than 1 to avoid clipping (can be altered to amplification 1 by replacing resistors, but then clipping may occur) 

  • the max. input levels without distortion are about 16Vpp (or -8V ... +8V for the processing of control signals) 

  • the voltage range for each of the CV inputs is about 0...+5V (with corresponding attenuator control fully CW),  higher control voltages (e.g. 0...+10V) can be adjusted by means of the attenuator control

  • the suboctave levels are about 5Vpp

  • the module should be used only with DC coupled VCO outputs (e.g. A-111-4, A-111-3). With AC coupled VCO outputs (e.g. A-110-1, A-110-2) a DC offset will occur at the outputs when the suboctave option is installed.

  • the module can be used also as a voltage controlled quadrophonic mixer for three quadrophonic sound sources

The following document explains the positions and functions of the internal pin headers and describes the cascading of two A-135-5: A135_5_internal.pdf.



Breite/Width: 10 TE / 10 HP / 50.5 mm
Tiefe/Depth: 55 mm (gemessen ab der Rückseite der Frontplatte mit Suboktav-Board / measured from the rear side of the front panel with suboctave board), 45 mm ohne Suboktav-Board  / 45 mm without suboctave board
Strombedarf/Current: +50 mA (+12V) / -40mA (-12V)


Preise / Prices:
Standard Version : Euro 225.00
Vintage Edition
: Euro 235.00

The price in US$ depends upon the exchange rate between Euro and US$ at the payment day.