Technical details for the A-101-1 Vactrol Multitype Filter (Steiner Filter)
and A-106-1 X-treme Filter

   

VCVS low pass
(Sallen&Key filter)

Both the A-101-1 Vactrol Multitype filter and the A-106 MS20 filter have their origins in the standard non-inverting amplifier low pass filter design (so-called VCVS low pass, VCVS = voltage controlled voltage source) shown on the left. With identical resistor and capacitor values it is even known as Sallen&Key filter.

The frequency of this low pass filter is f = 1/(2 * Pi * R * C). The resonance is Q = 1/(3 - a). With a = 1 one obtains a filter without resonance, a = 1.268 leads to a Bessel filter, a = 1.586 to a Butterworth filter and a = 2.234 to a Tschebyscheff filter. When a reaches 3 the filter is self oscillating.

If the two resistors "R" are voltage controlled one obtains a voltage controlled filter. Voltage control can be realized e.g. with operational transconductance amplifiers = OTA, VCAs, vactrols, or other variable resistors like special diode or transistor circuits.

   

Steiner Filter
(published in Electronic Design, issue  25, December 1974, page 96 ff)

Nyle A. Steiner published a modification of this circuit in the magazine Electronic Design (issue  25, December 1974, page 96 ff). He extended the circuit by three 1k resistors and a three position switch that was used to feed the audio input signal into one of three different sections of the circuit. The three different inputs lead to different filter types (low pass / LP, band pass / BP, high pass / HP) with a common output for all filter types. 

We cannot confirm Nyle A. Steiner's statement after what the resonance resp. Q remains essentially the same as the frequency is changed. Rather the resonance increases clearly as the frequency becomes smaller. We discovered this behaviour in the "real" circuit as well as in the PSpice simulation of Nyle A. Steiner's circuit. For the Sallen&Key filter Q is indeed nearly independent of the frequency. But the introduction of the three 1k resistors leads to a frequency depending resonance. The Q/f dependence can be lowered if the 1k resistors are made smaller (e.g. 100 Ohm). But in this case the output level becomes very small and requires an additional output amplifier to compensate the attenuation.

 

   

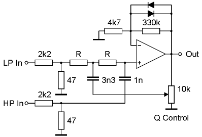
A-101-1 principle circuit

In our design the two frequency determinant resistors (R) are replaced by two vactrols in contrast to Steiner's solution with diodes as variable resistors. The vactrols are controlled by a logarithmic current source for the LEDs inside the vactrols. The Q control potentiometer is replaced by a second current source that allows voltage controlled resonance. For details concerning vactrols please look at the vactrol basics page. In addition the three position of switch of Nyle A. Steiner's design is replaced by three separate, normalized audio inputs with attenuators for LP, BP and HP (attenuators and normalized sockets are not shown). Consequently LP/BP/HP functions are possible for one single audio signal as well as different audio signals for LP, BP and HP causing sort of "frequency panning" between the different audio input signals. The 1k resistors are replaced by 100 Ohm and an additional amplifier is used to to compensate the strong attenuation (the additional amplifier is not shown in the circuit and the three resistors are still labelled 1k).

In the A-101-1 a second amplifier is connected between the first and second output of the module (A-101-1 has two audio outputs). The second amplifier compensates the amplitude changes as the resonance is altered to some extent. For this the current source of the Q-vactrol controls another vactrol too that reduces the output level reverse to the amplitude increase of the first non-inverting amplifier.


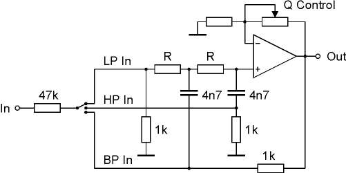
A-106-1 / MS20 filter principle circuit

Even the filters of the MS20 are modifications of the basic circuit shown at the beginning. The left picture shows the basic principle of the A-106-1 filter. In contrast to the Steiner modification only two inputs are available and the feedback control is a bit different: the output amplifier has a fixed amplification ( ~ 70 = 330/4.7) with diode limiters, the two capacitors have different values and the resonance is controlled by a 10k potentiometer that feeds back an adjustable share of the output signal. The resistors labelled "R" are realized by OTAs (operational transconductance amplifiers) to obtain voltage control of the filter frequency.

In the MS20 two separate filters are available:

  • a highpass filter (for this filter the 2k2 resistor in the LP input is omitted and no LP input is available) and

  • a lowpass filter (for this filter the 2k2 resistor in the HP input is omitted and no HP input is available) 

Attention ! The highpass has a 6dB slope only but not 12 dB as said in most documents about MS20.

In the A-106-1 both inputs are available simultaneously with separate input attenuators to be able to mix the LP and HP shares of the input signal (i.e. the same input signal for both inputs) resp. input signals (i.e. two different audio signals for LP and HP input). In addition the function of the two limiting diodes is adjustable by two potentiometers to obtain symmetrical or asymmetrical clipping for high audio input levels.