FAQ A-100
(Stand November 2025 / as of November 2025)
Please look also at the A-100 DIY page. Here some basic electronics, module modifications and suggestions for DIY modules and frames are available.
Contents
My A-100 case does no longer work (English)
Power supply and cases for A-100 modules (English)
General meaning of control voltages in a modular system (english)
Welche Module nutzen die Signale CV und Gate des A-100-Busses (deutsch)
Notes concerning bus boards with boxed pin headers (English)
Sicherungen in den A-100-Gehäusen (deutsch)
Fuses in the A-100 cases (English)
How can I find out if my A-100 case contains a power supply A-100PSU3 or A-100PSU2 ?
Reparaturen in Eigenregie (deutsch)
DIY repair tips (English)
A-100 Module als Bausätze / A-100 modules as kits (deutsch + English)
How to built a Theremin with modules from the A-100 modular system (English)
Using the A-100 for sound processing (e.g. guitars, microphones, CD player, tape recorder ...) (English)
Solving contact problems with miniature jack sockets (English)
Malfunction of A-148, A-150 or A-151 with voltages above +8V or below -8V (English)
How to undo the A-155 modifications if the A-155 is connected to an A-154
![]() |
Die folgenden Hinweise sind nur für Experten vorgesehen ! Die hier beschriebenen Arbeiten dürfen nur von einem Fachmann durchgeführt werden, der die erforderlichen Sicherheitsbestimmungen kennt und die Einhaltung dieser auch gewährleistet ! The following notes are intended for experts only ! Carrying out of works described in these documents is allowed only for authorized personnel who are familiar with all valid safety rules ! |
My A-100 system does no longer work
Preface: The A-100 modules require only +12V and -12V, i.e. they work also without +5V, +5V is required only by a few older A-100 modules (A-113/old version, A-190-1, A-191). But some modules from other manufacturers require +5V.
If your A-100 system does no longer power up or the installed modules do not work as they should please follow these instructions:
(2)
Mein A-100-System funktioniert nicht mehr
Vorbemerkung: Die A-100-Module benötigen nur +12V und -12V, d.h. sie funktionieren auch ohne +5V. +5V werden nur von einigen älteren A-100-Modulen (z.B. die alte Version des A-113, sowie A-190-1 und A-191) benötigt. Auch die Module einiger anderer Hersteller benötigen +5V.
Falls sich Ihr A-100-System nicht mehr einschalten lässt oder die eingebauten Module nicht mehr korrekt arbeiten, folgen Sie bitte diesen Hinweisen:
(2)
Zusätzlicher Hinweis für alle Gehäuse mit A-100PUS3: falls alle Kontroll-LEDs der Busplatinen dunkel sind, so liegt die Ursache mit sehr hoher Wahrscheinlichkeit an einer defekten Sicherung ! Jede der 3 Spannungen (+12V, -12V und +5V) besitzt einen separaten Schaltkreis und es ist extrem unwahrscheinlich, dass alle 3 Schaltkreise gleichzeitig defekt sind.
Power supply and cases for A-100 modules
Single A-100 modules do not contain a power supply and housing. We recommend the
usage of one of our A-100 housings (also called cases) to install the modules.
We have cases in different sizes and versions available. If you want to use your
own housing a 19" standard frame
including a +/-12V power supply should be used to supply the modules and ensure a
mechanical stability.
If you are familiar with electronics you may use your own power supply and frame.
The A-100 modules require a high quality dual +/-12V supply. This means that the
terminals GND, +12V and
-12V are necessary. Some older modules additionally require a +5V supply (e.g.
old version of the A-113, as well as the obsolete modules A-190-1 and A-191).
For each module you will find the current required for +/-12V in the module description.
The power supply used must be be able to supply the current required by the modules, i.e.
the sum of all currents of the modules used in your application.
Most of the modules will work with +/-15V power supply as well but some specifications
given in the module description are no longer valid (e.g. range of some controls). Even
some re-adjustments may be necessary. But some modules cannot be powered with
+/-15V !
These modules will be damaged with +/-15V supplies: A-106-6, A-107, A-109, A-122, A-126, A-127 (old version with CEM3382), A-129/2, A-130 (old version with CEM3381/PA381), A-131 (old version with CEM3382), A-132-3 (old version with CEM3360), A-134 and A-135. These modules use the Curtis circuits CEM3360, CEM3381, CEM3382 or CEM3379. The max. supply voltage allowed for these integrated circuits is +/-12V. A +/-15V supply will destroy the very expensive CEM circuits ! The new versions of A-127, A-130, A-131 (all manufactured from ~2001) and A-132-3 use other circuits (e.g. LM13700) instead of the CEM circuits and will run with +/-15V without problems. Even the old versions of the modules A-148, A-150 and A-151 will not work with +/-15V. These modules may be damaged with +/-15V supplies too but the parts that may be destroyed (CD4052 or CD4053) are much cheaper than the expensive CEM chips. The old version of A-148 was manufactured until end of 1998, the old version of A-150 until summer 2004 and the old version of A-151 until spring 2005. The old versions of these modules can be identified by the type of electronic switches: in the old versions CD405x were used (CD4052 or CD4053), in the new versions DG4xx are used (DG409 or DG442 in the A-148, DG409 in the A-150 and A-151).
For power supply of the modules a bus board with 16 pin/2 row standard pin headers is used. The connections between modules and bus board is made with 16 pin flat cable and 16 pin socket connectors. Please look at our internet site for more details (A-100 technical details and A-100 construction details).
For applications with only one or a few modules a miniature power supply/bus board is available (A-100MNT/MBP). This can be used if not more than 200mA are required. As in this power supply a low voltage AC adapter is used no safety problems could occur. We also offer a miniature case (A-100MC) that includes the A-100MNT/MBP.
If you want to use your own power supply you have to be familiar with electronics. You
have to guarantee the electrical safety and keep all laws concerning electrical safety
valid in your country ! We strictly warn you to install a power supply if you are not
familiar with electronics ! This is valid too if you order the A-100 power supply as a
spare part ! Only qualified personnel is allowed to install the A-100 power
supply !
Stromversorgung und Gehäuse für A-100-Module
Einzelne A-100-Module beinhalten keine Stromversorgung und kein Gehäuse. Wir empfehlen die Verwendung eines der
A-100-Gehäuse, um
A-100-Module einzubauen. Es sind Gehäuse in den verschiedensten Größen und
Ausführungen erhältlich. Falls Sie Ihr eigenes Gehäuse verwenden wollen, so
sollte ein 19-Zoll-Standard-Rahmen mit einem hochwertigen +/-12V-Netzteil sollte eingesetzt werden, um die
A-100-Module mit Strom zu versorgen und die mechanische Stabilität zu
gewährleisten.
Falls Sie elektronische Erfahrung besitzen, können Sie auch Ihre eigene
Stromversorgung und Ihren eigenen 19-Zoll-Rahmen einsetzen. Die meisten
A-100-Module benötigen nur +/-12V als (stabilisierte) Stromversorgung, d.h. es
werden die Stromversorgungsanschlüsse +12V, Masse und -12V benötigt.
Einige ältere Module (z.B. die alte Version des A-113, sowie die nicht mehr
gefertigten Module A-190-1, A-191) benötigen zusätzlich +5V. Sie finden
den Strombedarf für jedes Modul bei der jeweiligen Modulbeschreibung. Wir haben
auch ein Excel-Tabellenblatt erstellt, in das alle gewünschten Module
eingegeben werden und das den erforderlichen Gesamt-Strombedarf dann automatisch
errechnet. Das verwendete Netzteil muss mindestens den Strom liefern, den die
gewünschten Module benötigen (d.h. die Summe aller Ströme). Es ist jedoch
empfehlenswert, das Netzteil etwas größer als benötigt zu wählen. Man hat
dann etwas Reserve, wenn z.B. spätere andere Module mit etwas mehr Strombedarf
eingebaut werden sollen.
Die meisten Module arbeiten auch mit +/-15V, allerdings können dann die
angegebenen Spezifikationen etwas abweichen (z.B. der Regelbereich einiger
Drehknöpfe - wie z.B. VCO- oder VCF-Frequenz, da die betreffenden Potentiometer
direkt an der Stromversorgung angeschlossen sind). Es kann auch nötig sein, die
Justierung einiger Trimmpotentiometer neu vorzunehmen. Einige Module können jedoch grundsätzlich nicht mit +/-15V
betrieben werden:
Folgende Module dürfen nicht mit einer +/-15V-Stromversorgung betrieben werden: A-106-6, A-107, A-109, A-122,
A-126, A-127 (alte Version mit CEM3382), A-129/2, A-130 (alte Version mit
CEM3381/PA381), A-131 (alte Version mit CEM3382), A-132-3 (alte Version mit
CEM3360), A-134 and A-135. Diese Module verwenden die Curtis-ICs CEM3360, CEM3381, CEM3382
oder CEM3379. Für diese Bausteine
beträgt die maximal zulässige Versorgungsspannung +/-12V. Eine
+/-15V-Stromversorgung zerstört diese (sehr teueren) Bausteine !
Bei den neuen Versionen von A-127, A-130, A-131 (produziert nach ~2001) und A-132-3
werden statt der Curtis-ICs andere Schaltkreise verwendet (z.B. CA3080, LM13600/13700,
SSM2164), die auch mit +/-15V betrieben werden können. Auch die alten Versionen der Module A-148,
A-150 und A-151 können beim Betrieb an +/-15V
zerstört werden. Allerdings sind die dabei zerstörten Bauteile (CD4052 bzw. CD4053)
erheblich billiger als die CEM-ICs.
Für alle
aufgeführten Module ist eine Stromversorgung von +/-12V zwingend notwendig !
Für die Zuführung des Stromversorgung zu den Modulen wird eine Busplatine mit 16-poligen 2-reihigen Stiftleisten im Raster 2.54 mm verwendet. Die Verbindung zwischen Busplatine und den Modulen erfolgt über 10- oder 16-polige Flachbandkabel mit aufgepressten 16-poligen Pfostenverbindern (Buchsenleisten in Schneid/Klemm-Technik). Nähere Angaben hierzu finden Sie bei den Technischen Hinweisen und Mechanischen Details zum A-100.
Für Anwendungen, bei denen nur ein oder wenige A-100-Module betrieben werden sollen, kommt das Mini-Netzteil A-100MNT/MBP mit integrierter Busplatine in Frage. Dieses kann dann eingesetzt werden, wenn nicht mehr als 200 mA benötigt werden. Zusätzlich verfügt es über +5V/50mA. Da beim Mini-Netzteil ein Steckertrafo eingesetzt wird, liegen keine gefährlichen Spannung an und es gibt daher auch keine elektrischen Sicherheitsprobleme. Wir bieten auch ein Mini-Case an, das mit dem A-100MNT/MBP ausgestattet ist.
Falls Sie eine eigene Stromversorgung verwenden wollen, müssen Sie über ausreichende Elektronik-Kenntnisse verfügen, um die elektrische Sicherheit zu gewährleisten. Sie müssen in der Lage sein, alle in Ihrem Land gültigen Sicherheitsvorschriften einzuhalten. Wir warnen eindringlich davor, ein Netzteil einzubauen, wenn Sie nicht über die entsprechenden Kenntnisse verfügen. Dies gilt auch, wenn Sie das A-100-Netzteil als Ersatzteil von uns beziehen. Lassen Sie ggf. den Einbau durch einen Fachmann vornehmen. Am Netzteil und den Netz-Zuleitungen (incl. Schalter, Sicherungshalter usw.) liegen im Betrieb lebensgefährliche Spannungen an !
Current specifications of A-100 modules and power supplies
In all our documents we specify
only the +12V current because this is the worst case for all modules, i.e. there
is no module that takes more current from the -12V supply than from the +12V
supply. E.g. 50 mA current specification means 50mA are taken from +12V and 50
mA (or less) from -12V. All A-100 power supplies deliver the same current for
+12V and -12V. E.g. the A-100PSU2 outputs 1200mA for +12V and 1200mA for -12V.
Consequently one simply has to add the specified module currents and check if
the sum is less than 1200mA. Then the power supply is sufficient. Specification
of both currents (+12V and -12V) would cause confusions and complicate
calculations for the customers. We think that the solution to specify only the
+12V current is the easiest way to calculate the current consumption and to find
out if the power supply is sufficient.
If you also run modules that require +5V and this voltage is generated by means
of the 5V adapter A-100AD5 from the +12V supply the current for +5V has to be
added to the +12V current !
New: From 2016 we will offer the new power
supply A-100PSU3. This has asymmetrical values for the maximum current output
(+12V: 2000mA / -12V: 1200mA). Therefore the currents are now specified for both
+12V and -12V separately for all modules. As a rule each A-100
module consumes the same or less current at -12V compared to +12V. The
Excel planning file contains also the current specs for all A-100 modules at a
glance: System Planner (Excel™).
The file contains also totals fields that show the total currents of all
installed A-100 modules. The A-100PSU3 has also +5V available and the 5V adapter A-100AD5 is no
longer required if you want to run modules that require +5V.
Stromangaben bei A-100-Modulen und Stromversorgungen
Bei der Angabe von Strömen wird
in allen Dokumenten nur der Strom spezifiziert, den das Modul bei +12V
benötigt. Alle A-100-Module benötigen bei -12V den gleichen oder einen
geringeren Strom als bei +12V. Es gibt kein A-100-Modul, das bei -12V einen
größeren Strom als bei +12V zieht. Daher ist man mit dieser Art der
Stromangabe immer auf der sicheren Seite. Wird für ein Modul beispielsweise ein
Strom von 50 mA angegeben, so benötigt dieses Modul bei +12V ca. 50mA und bei
-12V ebenfalls 50 mA oder weniger. Alle A-100-Stromversorgungen liefern bei +12V
und -12V den gleichen Strom, so dass man auch hier auf der sicheren Seite ist.
A-100PSU2 kann beispielsweise maximal 1200mA bei +12V und 1200mA bei -12V
liefern. Man muss also nur die Summe der angegebenen Ströme für alle in einem
System geplanten Module addieren und prüfen ob die Summe kleiner als die des
vorhandenen Netzteils ist. Dann ist die Stromversorgung für diese
Modulzusammenstellung ausreichend. Die Angabe von beiden Strömen für +12V und
-12V getrennt würde das Ganze nur komplizieren und ist auf Grund der
obenstehenden Ausführungen nicht nötig.
Falls Sie auch Module betreiben, die +5V benötigen und diese Spannung mit Hilfe
des 5V-Adapter A-100AD5 erzeugt wird, so muss der bei +5V entnommene Strom dem
Strom bei +12V hinzu addiert werden !
Neu: Seit Anfang 2016 bieten wir das neue
Netzteil A-100PSU3 an. Dieses besitzt asymmetrische Werte für den maximalen
Strom ((+12V: 2000mA / -12V: 1200mA). Daher wird
bei den A-100-Modulen jetzt die Stromaufnahme für +12V
und -12V getrennt angeben. Grundsätzlich ist die
Stromaufnahme aller A-100-Module bei -12V gleich oder geringer als bei +12V ist.
In der Excel-Planungsdatei sind alle Strömen der A-100-Module in einer
Übersicht zusammengefasst: System-Planer
(Excel™). In dieser Datei sind auch Summenfelder vorhanden, die
den Gesamtstromverbrauch aller installierten A-100-Module angeben. Da das Netzteil A-100PSU3 auch +5V zur Verfügung stellt, ist der 5V-Adapter
A-100AD5 bei A-100PSU3 nicht mehr erforderlich, wenn auch Module betrieben werden, die +5V
benötigen.
Orientation of bus connection cables
The connection between each
module and the bus board is carried out by a ribbon cable with 10 or 16 pins.
Both sides of the cable are equipped with a female connector. At the bus board
side always a 16 pin connector is used (even in case of a 10 pin cable). At the
module side a 10 or 16 pin connector is used depending upon the width of the
ribbon cable (10 or 16 pins). One of the wires of the ribbon cable is coloured
(typically red or blue). At the bus board side the colored wire has to show to
the bottom which is labeled "-12V" or in other words: the colored
wire indicates -12V. At the module side the colored wire has to show to the
bottom if the orientation of the 10 or 16 pin male connector is vertical. If the
orientation of the of the 10 or 16 pin male connector is horizontal the colored
wire has to show to the left (rear view to the module), except
module A-111-5 !. The document A100_bus_orientation.pdf shows the
different versions.
For all modules manufactured since about 2015 the orientation of the bus
connection cable is marked with a rectangle and the note "RED STRIPE"
on the pc board near the bus connector.
In addition the installation of modules is described in the A-100 user's manual on pages
4 - 6 (see MANUALS
for details).
Important: Do not use bus boards from other manufacturers with boxed headers that urge you to connect the cable in the wrong way ! It is essential that: colored strip = -12V = bottom
Note 1: As each module comes with an installed bus connection cable one has normally not to look after the connection at the module. Only if a cable has been removed by the customer it's important to know how the cable has to be re-installed at the module side.
Note 2: There are some module which required special bus connection cables (e.g. A-143-1/2/3) as these modules are made of several pc boards and a special bus cable with several female connectors is used.
Ausrichtung der Busverbindungskabel
Die Verbindung zwischen jedem
Modul und der Busplatine erfolgt über ein Flachbandkabel mit 10 oder 16 Adern.
Auf beiden Seiten des Kabels befindet sich eine Buchse. Auf der Bus-Seite ist
die Buchse immer 16-polig, auf der Modulseite ist die Buchse 10- oder 16-polig -
je nach Breite des Flachbandkabels. Eine Ader des Busverbindungskabels ist
farbig markiert (meist rot oder blau). Diese Ader markiert "-12V". Die
Buchse muss auf die Busplatine so aufgesteckt werden, dass die farbig markierte
Ader nach unten zeigt. Auf der Busplatine befindet sich zusätzlich für jede
Steckverbindung ein Aufdruck, der die Belegung der 16-poligen Stiftleiste zeigt.
Die farbig markierte Ader muss in Richtung des Aufdrucks "-12V"
zeigen. Auf der Modulseite muss die farbig markierte Ader nach unten weisen,
wenn das Gegenstück (10- oder 16-polige Stiftleiste) vertikal ausgerichtet ist.
Ist die 10- oder 16-polige Stiftleiste auf dem Modul horizontal ausgerichtet, so
muss die farbig markierte Ader nach links weisen, wenn man auf die Stiftleiste
der Leiterplatte blickt (Ausnahme: A-111-5). Das Dokument A100_bus_orientation.pdf
zeigt die verschiedenen Varianten im Überblick.
Bei allen Modulen, die seit ca. 2015 gefertigt wurden ist die Ausrichtung der
roten Ader mit einem Balken und dem Text "RED STRIPE" auf der
Leiterplatte des Moduls direkt an der Bus-Steckverbindung angegeben.
Zusätzlich ist die
Vorgehensweise zum Installieren eines Modul in der A-100-Anleitung auf den
Seiten 4 - 6 beschrieben (siehe MANUALS).
Wichtiger Hinweis: Verwenden Sie keine Busplatinen anderer Hersteller mit Wannensteckern, die ggf. dazu zwingen das Kabel seitenverkehrt aufzustecken ! Es gilt immer: farbige Ader = unten = -12V
Hinweis 1: Da jedes Modul ab Werk mit aufgestecktem Busverbindungskabel geliefert wird, muss man sich normalerweise nicht um die Orientierung des Kabels an der Modulseite kümmern. Nur falls das Kabel abgezogen wurde, muss man auf die richtige Anordnung achten, wenn das Kabel neu aufgesteckt wird.
Hinweis 2: Einige Module mit mehreren Leiterplatten benötigen spezielle Busverbindungskabel mit mehreren Buchsen auf einem Flachbandkabel (z.B. A-143-1/2/3).
Manufacturing of bus connection cables
The document A100_bus_cables.pdf shows the manufacturing of different versions of bus connection cables.
Herstellung von Busverbindungskabeln
Das Dokument A100_bus_cables.pdf erläutern die Herstellung von Busverbindungskabeln.
Meaning and usage of the bus signals CV and GateThe A-100 system bus also carries the internal control signals GATE and CV. Here some important remarks concerning the usage of the internal CV and Gate lines of the A-100 bus:

A-100 System Bus
General meaning of control voltages in a modular system
The control voltages (abbreviation
"CV") in a modular system are relative. There is no fixed relation between
the value of a CV and the parameter controlled by this CV. E.g. 0V CV for VCOs does
NOT mean e.g. "C0" or 65.4Hz!
For example the frequency of a VCO depends upon a lot of controls and CVs:
Each of these items generates a voltage and the
sum of all voltages defines the frequency generated by the VCO.
The labelling of the controls does not matter. It makes no difference if e.g. the manual frequency control is labelled 0...10
or -5...0...+5 or any other as it just generates one of the control voltages
which are summed up.
Bedeutung und Verwendung der Bus-Signale CV und Gate
Der A-100 Bus enthält neben den Versorgungsspannungen auch die zwei Signalleitungen INT.GATE und INT.CV, auf die einige Module zugreifen können (siehe untenstehende Abbildung). Hierbei gibt es ein paar Grundregeln zu beachten:

System-Bus des A-100 (schematisch)
Welche Busplatinen sind für A-100-Module geeignet
Die A-100-Module sollten nur in Verbindung mit Original-A-100-Busplatinen und Original-A-100-Netzteilen betrieben werden. Wir empfehlen den Einsatz fertig aufgebauter A-100 Gehäuse mit Busplatinen und Netzteilen. Insbesondere dürfen keine Busplatinen anderer Hersteller verwendet werden, bei denen sog. Wannenstecker (16-polige Stiftleisten mit Verpolungsschutz) verwendet werden. Hierdurch kann der Anwender gezwungen sein, den Stecker des Buskabels seitenverkehrt auf die Busplatine aufzustecken, wodurch das Modul zerstört wird ! Beim Anschluss aller A-100-Module an die A-100-Busplatine gilt immer: farbige Ader = unten (-12V-Markierung). Falls der Busstecker nicht in diese Richtung aufgesteckt werden kann, darf das Modul keinesfalls an die Busplatine eines anderen Herstellers angeschlossen werden. Dabei geht auch der Garantieanspruch verloren !
Which bus boards are suitable for A-100 Modules
A-100 modules have to be connected only to original A-100 bus boards supplied by original A-100 power supplies. We recommend the usage of ready made A-100 Cases with built-in bus boards and power supply. Especially no bus boards from third party manufacturers with polarized pin headers (so-called box headers) are allowed ! They may force the user to plug in the A-100 bus cable in the wrong way ! In this case the module will be destroyed and the warranty is void ! For all A-100 module and A-100 bus boards this rule is valid: colored wire of the bus cable = bottom (-12V indication).
Hinweise
zu Busplatinen mit Wannenstiftleisten
Wir begannen im Jahr 1995 mit dem A-100 und
führten damals ein Bus-System mit ungepolten Stiftleisten ein. Der Grund
hierfür war, dass damals die Wannenstecker deutlich teuerer waren als
Stiftleisten ohne Wanne und wir das A-100 so preiswert wie irgend möglich
anbieten wollten. Daher war es nicht nötig auf die Ausrichtung der
"Nase" bei den Buchsenleisten zu achten, die zur Busverbindung
eingesetzt wurden. Das Problem ist erst aufgetreten, als von anderen Anbietern
Busplatinen mit Wannensteckern angeboten wurden. Seitdem achten wir darauf, dass
die Polung der Buchsenleisten auch bei den A-100-Modulen zu diesem Typ von
Busplatinen kompatibel ist (Pin "1" = rote Ader des Flachbandkabels /
Nase = rechts wenn die rote Ader nach unten weist)
Wir haben aber beschlossen im Laufe des Jahres 2019 trotzdem auf Busplatinen mit
Wannensteckern umzustellen, da sich diese Art der Steckverbindung trotz der
möglichen Probleme im Laufe der letzten Jahre als Standard auf dem Markt
etabliert hat. Wir werden aber jedem System mit den neuen Busplatinen mit
Wannensteckern einen entsprechenden Warnhinweis beilegen.
Notes
concerning bus boards with boxed pin headers
We started in 1995 with the A-100 and introduced
the meanwhile well-known bus system with UNBOXED pin headers. The reason for the
unboxed was to keep the price as low as possible (at that time the boxed headers
were significantly more expensive). So there was no need to pay attention to the
polarity of the "nose" of the IDC connectors because it was not
necessary. In the meantime some manufacturers introduced BOXED pin headers.
Since that we pay attention that the polarity of the bus connectors of all A-100
modules is correct (i.e. pin "1" = red wire / nose = right when red
wire is at the bottom).
Nevertheless we decided to change over to boxed pin headers during the year 2019
because this kind of bus connectors established as a kind of standard on the
market. But we will add a corresponding warning notice to each system which is
equipped with the new boxed headers.
Die Netzsicherung befindet sich in der
Netzeingangskombination an der Rückwand des A-100-Rahmens (Ausnahme: bei der
früher gefertigten Kofferversion A-100P6 mit Netzeingang an der Vorderseite befindet sich
auch der Netzeingang an der Vorderseite). Um diese Sicherung zu
wechseln, muss das Netzkabel abgezogen und der Sicherungshalter z.B. unter
Zuhilfenahme eines Schraubenziehers abgezogen werden. Der Sicherungshalter ist
ein kleines schwarzes Kunststoffteil, das im Netzeingang steckt. Das folgende
Dokument zeigt den Sicherungshalter im Detail: A-100
Sicherungshalter. Die
untenstehende Tabelle zeigt die vorkommenden Sicherungen in Abhängigkeit von
Gehäuse-Typ und Netzspannung.
The mains fuse is located at the mains inlet on the rear panel of the A-100 frame
(exception: the older suitcase version A-100P6 with mains inlet at the front).
One
has to disconnect the mains cable and remove the fuse holder (e.g. with the aid
of a screw driver). The fuse holder is a small black plastic part that is
inserted into the mains inlet. The following document shows the fuse holder in
detail: A-100
Sicherungshalter. The table below shows the
values for the fuses depending upon the case type and mains voltage.
Gehäuse mit A-100PSU3
/ Cases with A-100PSU3
verbaut ab Anfang 2016 /
manufactured from about early in 2016
| Gehäuse-Typ | Case Version | Sicherungswerte
bei Netzspannung
230V fuse values for 230V mains voltage |
Sicherungswerte
bei Netzspannung 115V fuse values for 115V mains voltage |
maximale
Leistungsaufnahme maximum power consumption |
maximale
Stromaufnahme maximum mains current 230V / 115V |
| A-100G6 19" Rahmen 6HE/84TE | A-100G6 19" frame 6U/84HP | 800 mA | 1.6 A | 80W | 350 mA / 700 mA |
| A-100P6 Kofferversion 6HE/84TE | A-100P6 suitcase version 6U/84HP | 800 mA | 1.6 A | 80W | 350 mA / 700 mA |
| A-100P9 Kofferversion 9HE/84TE | A-100P9 suitcase version 9U/84HP | 800 mA | 1.6 A | 80W | 350 mA / 700 mA |
| A-100PB Koffer-Unterbau 2x3HE/84TE | A-100PB suitcase base 2x3U/84HP | 800 mA | 1.6 A | 80W | 350 mA / 700 mA |
| A-100LC6 Low-Cost Koffer 6HE/84TE | A-100LC6 low cost suitcase 6U/84HP | 800 mA | 1.6 A | 80W | 350 mA / 700 mA |
| A-100LC9 Low-Cost Koffer 9HE/84TE | A-100LC9 low cost suitcase 9U/84HP | 800 mA | 1.6 A | 80W | 350 mA / 700 mA |
| A-100LCB Low-Cost Unterbau 2x3HE/84TE | A-100LCB low cost base 2x3U/84HP | 800 mA | 1.6 A | 80W | 350 mA / 700 mA |
| A-100PMS6 Monster-Koffer 6HE/168TE | A-100PMS6 monster suitcase 6U/168HP | 1,6 A | 3.15 A | 160W | 700 mA / 1400 mA |
| A-100PMS9 Monster-Koffer 9HE/168TE | A-100PMS9 monster suitcase 9U/168HP | 1,6 A | 3.15 A | 160W | 700 mA / 1400 mA |
| A-100PMS12 Monster-Koffer 12HE/168TE | A-100PMS12 monster suitcase 12U/168HP | 3,15 A | 6.3 A | 320W | 1400 mA / 2800 mA |
| A-100PMB Monster-Unterbau 2x3HE/168TE | A-100PMB monster base frame 2x3U/168HP | 1,6 A | 3.15 A | 160W | 700 mA / 1400 mA |
| A-100LMS9 Low-Cost Monster-Koffer 9HE/168TE | A-100LMS9 low cost monster suitcase 9U/168HP | 1,6 A | 3.15 A | 160W | 700 mA / 1400 mA |
| A-100LMB Low-Cost Monster-Unterbau 2x3HE/168TE | A-100LMB low cost monster base frame 2x3U/168HP | 1,6 A | 3.15 A | 160W | 700 mA / 1400 mA |
Es sind unbedingt träge
Sicherungen 5x20 mm zu verwenden. Die Codierung für das Ansprechverhalten ist
üblicherweise auf der Sicherung mit dem Buchstaben F (fast
= schnell), M (medium = mittel) oder T (time
lag = träge) angegeben. Es muss eine Sicherung mit dem Code "T"
verwendet werden. Mittelträge oder flinke Sicherungen sind nicht geeignet !
It's essential that time
lag (slow blow) fuses 5x20 mm have to be used ! Usually the type
of response is abbreviated by a character on the metallic ring of the
fuse: F (fast),
M (medium) or T (time lag = slow
blow). A fuse coded "T" has to be used ! Medium or fast fast fuses are unsuitable
and will blow.
Zusätzlich verfügt das A-100PSU3 über eine
separate Sicherung für +5V (d.h. im Sekundärkreis). Falls nur die
+5V nicht vorhanden sind, hat mit großer Wahrscheinlichkeit diese Sicherung
angesprochen (auf Grund einer Überlast,
eines Kurzschlusses, einem defekten Modul o.ä.).
Die Sicherung befindet sich direkt auf Leiterplatte des A-100PSU3 in der Nähe
der vier Flachstecker für den +5V-Anschluss. Die untenstehende Abbildung zeigt
die Lage der 5V-Sicherung.
Um die Sicherung wechseln zu können, muss die Netzteilabdeckung entfernt
werden. Diese ist mit 2 Schrauben (Netzabdeckung für ein PSU3) oder 4 Schrauben
(Netzabdeckung für zwei PSU3) an der Gehäuse-Rückwand montiert. Unbedingt zuvor die Netzzuleitung
abziehen ! Es reicht nicht den Ausschalter zu betätigen !
Ab Werk ist eine Sicherung
mit 2A (flink) bestückt. Der Wert kann aber bei Bedarf auf bis zu 4A (flink)
erhöht werden, falls das wegen des Strombedarfs bei +5V erforderlich ist. Der
Wert dieser Sicherung ist unabhängig von der Netzspannung (d.h. er gilt für
Netzspannungen von 115V und 230V).
In addition the A-100PSU3 has a separate +5V
fuse in the secondary circuit available. If only the +5V are missing
probably this fuse is blown (because of overload,
short circuit, faulty module etc.). The fuse is located on the A-100PSU3 pc board near
the four +5V terminals. The sketch below shows the position of the 5V fuse.
To reach the fuse it
may be necessary to remove the power supply cover (2 or 4 screws).
It's essential
that the mains cable is disconnected before the cover is removed ! It's not
sufficient to operate the mains switch only !
From the factory 2A (fast) are installed.
The value
can be increased up to 4A (fast) if the total current consumption at +5V is more
than 2A. But this is
recommended only of really a higher current than 2A is required. The value of this fuse is independent from the mains
voltage (i.e. the same for 115V and 230V mains voltage).
Gehäuse mit A-100PSU2
/ Cases with A-100PSU2
verbaut bis Ende 2015 /
manufactured until end of 2015
| Gehäuse-Typ | Case Version | Sicherungswerte
bei Netzspannung
230V fuse values for 230V mains voltage |
Sicherungswerte
bei Netzspannung 115V fuse values for 115V mains voltage |
maximale
Leistungsaufnahme maximum power consumption |
| A-100G6 19" Rahmen 6HE/84TE | A-100G6 19" frame 6U/84HP | 400 mA | 800 mA | 50W |
| A-100P6 Kofferversion 6HE/84TE | A-100P6 suitcase version 6U/84HP | 400 mA | 800 mA | 50W |
| A-100P9 Kofferversion 9HE/84TE | A-100P9 suitcase version 9U/84HP | 400 mA | 800 mA | 50W |
| A-100PB Koffer-Unterbau 2x3HE/84TE | A-100PB suitcase base 2x3U/84HP | 400 mA | 800 mA | 50W |
| A-100LC6 Low-Cost Koffer 6HE/84TE | A-100LC6 low cost suitcase 6U/84HP | 400 mA | 800 mA | 50W |
| A-100LC9 Low-Cost Koffer 9HE/84TE | A-100LC9 low cost suitcase 9U/84HP | 400 mA | 800 mA | 50W |
| A-100LCB Low-Cost Unterbau 2x3HE/84TE | A-100LCB low cost base 2x3U/84HP | 400 mA | 800 mA | 50W |
| A-100PMS6 Monster-Koffer 6HE/168TE | A-100PMS6 monster suitcase 6U/168HP | 800 mA | 1.6 A | 100W |
| A-100PMS9 Monster-Koffer 9HE/168TE | A-100PMS9 monster suitcase 9U/168HP | 800 mA | 1.6 A | 100W |
| A-100PMS12 Monster-Koffer 12HE/168TE | A-100PMS12 monster suitcase 12U/168HP | 1,6 A | 3.15 A | 200W |
| A-100PMB Monster-Unterbau 2x3HE/168TE | A-100PMB monster base frame 2x3U/168HP | 800 mA | 1.6 A | 100W |
| A-100LMS9 Low-Cost Monster-Koffer 9HE/168TE | A-100LMS9 low cost monster suitcase 9U/168HP | 800 mA | 1.6 A | 100W |
| A-100LMB Low-Cost Monster-Unterbau 2x3HE/168TE | A-100LMB low cost monster base frame 2x3U/168HP | 800 mA | 1.6 A | 100W |
Es sind unbedingt träge
Sicherungen 5x20 mm zu verwenden. Die Codierung für das Ansprechverhalten ist
üblicherweise auf der Sicherung mit dem Buchstaben F (fast
= schnell), M (medium = mittel) oder T (time
lag = träge) angegeben. Es muss eine Sicherung mit dem Code "T"
verwendet werden. Mittelträge oder flinke Sicherungen sind nicht
geeignet, da diese wegen der hohen Einschaltströme der Ringkerntransformatoren
sofort beim Einschalten ansprechen.
It's essential that time
lag (slow blow) fuses 5x20 mm have to be used ! Usually the type
of response is abbreviated by a character on the metallic ring of the
fuse: F (fast),
M (medium) or T (time lag = slow
blow). A fuse coded "T" has to be used ! Medium or fast fast fuses are unsuitable
and will blow. The reason for the time lag fuses is the high transient current
during power on that is ignored by the slow fuses. This transient current is
much higher for ring core/toroid transformer
than for normal transformers.
Gehäuse mit A-100PSU1
(A-100NT12) / Cases with A-100PSU1 (A-100NT12)
verbaut bis ca. 2003 / manufactured until about
2003
| Gehäuse-Typ | Case Version | Sicherungswerte
bei Netzspannung
230V fuse values for 230V mains voltage |
Sicherungswerte
bei Netzspannung 115V fuse values for 115V mains voltage |
maximale
Leistungsaufnahme maximum power consumption |
| A-100G3 19"
Rahmen alte Version (mit 650 mA Netzteil A-100NT12) |
A-100G3
19" frame old version (with 650 mA power supply A-100NT12) |
125 mA | 250 mA | 30W |
| A-100G6 19"
Rahmen alte Version (mit 650 mA Netzteil A-100NT12) |
A-100G6
19" frame old version (with 650 mA power supply A-100NT12) |
125 mA | 250 mA | 30W |
| A-100G3 19"
Rahmen 3HE/84TE alte Version (mit 650 mA Netzteil A-100NT12) |
A-100G3
19" frame 3U/84HP old version (with 650 mA power supply A-100NT12) |
125 mA | 250 mA | 30W |
Falls Sie noch einen der älteren Rahmen
oder Koffer mit dem alten Netzteil besitzen (A-100NT12, 650mA Ausgangsstrom,
produziert bis ca. 2001), so wird hier eine Sicherung mit 125 mA (230V) bzw. 250
mA (115V) eingesetzt. Es sind träge
Sicherungen 5x20 mm zu verwenden. Die Codierung für das Ansprechverhalten ist
üblicherweise auf der Sicherung mit dem Buchstaben F (fast
= schnell), M (medium = mittel) oder T (time
lag = träge) angegeben. Es muss eine Sicherung mit dem Code "T"
verwendet werden. Mittelträge oder flinke Sicherungen sind nicht geeignet.
If you still own an older A-100 frame or suitcase
with the old version of the power supply (A-100NT12, 650mA output current,
manufactured until about 2001) a fuse with 125 mA (230V) / 250 mA (115V) is
required. Time
lag (slow blow) fuses 5x20 mm have to be used ! Usually the type
of response is abbreviated by a character on the metallic ring of the
fuse: F (fast),
M (medium) or T (time lag = slow
blow). A fuse coded "T" has to be used ! Medium or fast fast fuses are unsuitable
and will blow.
Gehäuse A-100LC3 und A-100 DIY Kits /
Case A-100LC3 and A-100 DIY kits
Auch in den A-100 DIY-Kits 1 und 2, und im
A-100LC3 kommen
Sicherungen zum Einsatz. Diese werden jedoch hier zum Absichern des
Sekundärkreises verwendet (d.h. der Niederspannung). Es gibt hier zwischen den
verschiedenen Netzspannungen keinen Unterschied. Die untenstehenden Werte gelten
für die Steckertrafos bzw. Steckernetzteile, die von uns für die DIY-Kits
erhältlich sind. Falls andere Steckertrafos bzw. Steckernetzteile verwendet
werden, sind die Werte für die Sicherungen entsprechend anzupassen. Die in der
Tabelle angegebenen Werte entsprechen in diesem Fall den maximal zulässigen
Werten. Falls Trafos oder Steckernetzteile mit geringeren Leistungen verwendet
werden, sollten Sicherungen benutzt werden, die den Werten des Trafos bzw. des
Steckernetzteils entsprechen.
Even the A-100 DIY kits and the A-100LC3 contain fuses. There is no
difference between 115V and 230V for the fuse values as these fuses are used to
protect the secondary circuits of the supplies (i.e. the low voltages). The
specified values are valid for the transformers and wall outlet power supplies
that are available from us for the DIY kits. If other transformers or supplies
are used the values have to be changed depending on the specification of the
transformer or supply. In this case the values specified in the table are
maximum values. If a transformer or supply with lower power is used the fuse
values should be changed according to the specification of the transformer or
supply.
| DIY-Kit-Typ / type of A-100 DIY kit | Sicherungswerte (5x20mm) / fuse values (5x20mm) |
| A-100LC3 | 2500mA/2.5A träge / 2500mA/2.5A time lag (slow blow) |
| A-100 DIY Kit #1 | 2500mA/2.5A träge / 2500mA/2.5A time lag (slow blow) |
| A-100 DIY Kit #2 | 2 x 500mA/0.5A träge / 2 x 500mA/0.5A time lag (slow blow) |
Welcher
Typ von Netzteil in Ihrem A-100-Gehäuse verbaut wurde, können Sie an Hand des
Typenschildes oder Aufklebers an der Rückseite des Gehäuses neben dem
Netzeingang feststellen:
Der wesentliche Unterschied besteht darin, dass
das A-100PSU3 einen sogenannten Weitbereichs-Eingang besitzt, der mit jeder
Netzspannung im Bereich von 100 bis 240V arbeitet. Dagegen ist das A-100PSU2 nur
für 230V (Toleranz-Bereich 220-240V) oder 115V (Toleranz-Bereich
110-120V) geeignet.
Zusätzlich können an Hand der Bilder der beiden Netzteile feststellen, welcher
Typ in Ihrem Gehäuse eingebaut ist: Sie finden die Bilder auf der A-100
Zubehör-Seite.
How can I find out if my A-100 case contains a power supply A-100PSU3 or A-100PSU2 ?
The type of power supply can be identified by the label at the rear panel next to the mains inlet.
The main difference is that the A-100PSU3 has a
wide range mains input that can be used with any mains voltage in the range from
100 to 240V AC. A-100PSU2 is suitable only for 230V (range 220-240V) OR 115V
(range 110-120V).
In addition you can find out if an A-100PSU3 or PSU2 is installed by looking at
the pictures of the power supplies in the A-100
Accessories page
Falls Sie etwas
Elektronikerfahrung besitzen und ein fehlerhaftes Modul nicht mehr unter die
Gewährleistung fällt, können Sie versuchen die Reparatur selbst
durchzuführen. Zu diesem Zweck dienen die folgenden Hinweise:
Bitte beachten Sie, dass die Gewährleistungsanspruch verloren geht, falls Sie
versuchen ein Modul selbst zu reparieren.
Als erstes empfehlen wir eine optische Kontrolle, um zu prüfen ob ein
mechanisches Problem vorliegt (z.B. mechanisch beschädigte oder verbogene
Bauteile, lose Teile, gebrochene Buchsen oder Schalter, unvollständig
aufgestecktes Busverbindungskabel, falls das Modul aus mehreren Leiterplatten
besteht: unvollständig aufgesteckte oder fehlende Verbindungskabel zwischen den
Leiterplatten etc.). Wir empfehlen auch auf Transistoren zu achten, ob diese
mechanisch beschädigt sind (z.B. ob sich die Lötaugen durch mechanischen Druck
von oben an der Unterseite abgelöst haben).
Falls keine mechanischen Fehler vorhanden sind, so sind defekte integrierte
Schaltung die häufigste Ursache für die Fehlfunktion eines Moduls -
insbesondere wenn das Modul versehentlich seitenverkehrt auf die Busplatine
aufgesteckt wurde. Das Ersetzen der integrierten Schaltungen löst in den
meisten Fällen das Problem. Leider lässt sich nicht vorhersagen, welche
Schaltung(en) defekt sind. Man muss daher der Reihe nach alle Schaltungen
ersetzen, um den Fehler zu finden. Die integrierte Schaltungen stecken in aller
Regel in entsprechenden Fassungen, so dass der Austausch relativ problemlos
durchgeführt werden kann. Beim Ersetzen einer Schaltung muss jedoch unbedingt
auf die Polung geachtet werden (meist eine Kerbe oder ein Markierungspunkt).
Falls dadurch das Problem nicht gelöst werden konnte, sind vermutlich andere
Halbleiter defekt und sollten ausgetauscht werden (z.B. Transistoren, Dioden
oder Spannungsregler). Hierzu ist allerdings ausreichend Erfahrung, sowie
passende Werkzeuge zum Auslöten und Einlöten erforderlich. Andernfalls kann
die Leiterplatte irreparabel beschädigt werden.
In mehr als 95% aller Fälle sollte damit das Problem behoben werden können.
Für die restlichen 5% sind detailliertes Elektronikwissen und spezielle
Messgeräte erforderlich, um den Fehler zu finden und zu beheben.
Falls Sie keinen Erfolg bei der Reparatur haben, so folgen Sie bitte den allgemeinen
Reparaturhinweisen. Falls Sie innerhalb der EU wohnen, können Sie das Modul
nach Rücksprache auch direkt zu Doepfer/Deutschland schicken.
If you are a bit experienced with electronics and
the faulty module is no longer covered by warranty you
may try to do the repair yourself. In this case we recommend to follow these DIY
repair notes:
Pay attention that warranty is void if your try to repair a module yourself. If
the module is still covered by warranty it has to be returned to the dealer
where you purchased it. Please do not try to repair the module yourself in this
case !
First of all have a look at the module to find out if there is an obvious
mechanical problem, e.g. mechanically bended or damaged electronic parts, loose
parts, broken sockets or switches, uncomplete connected bus cable, missing
cables between pc boards (provided that the module is made of several pcbs) and
so on. We recommend to have also a look at all transistors if they are
mechanically damaged and if the annular rings at the bottom of the pcb did not
come off (causing interruptions between the annular ring and the pcb track).
Next we recommend to replace all integrated circuits one after the other. In
most cases this will solve the problem. It's impossible to predict which circuit
has been damaged (especially if the module was plugged by mistake upside
down to the bus board). So one has to replace one after the other until the problem is
fixed.
If this does not solve the problem other semiconductors (mainly transistors and
voltage regulators) should be replaced.
In 95% of all cases this should fix the problem. For the remaining 5% a more
detailed knowledge and special measuring instruments are required to discover the
fault.
Without success the module has to be sent in to the dealer where you purchased
the module for repair. If the module was purchased second hand please contact the Doepfer
representative or a dealer in your country. If you stay within the EU (European
Union) you may send in the module for repair also to Doepfer directly. In this
case please look at the repair notes
which explain the repair processing in detail.
Adjustment procedure for VCOs and VCFs
The following document explains detailed how to
adjust a VCO if necessary. All kind of VCOs are mentioned. The document is also
useful for the adjustment of VCFs: General_VCO_VCF_adjustment.pdf.
Pay attention that misadjusting a VCO or VCF is not covered by
warranty
Die A-100-Module sind nur als
komplett aufgebaute Module lieferbar. Bausätze, bestückte/unbestückte
Leiterplatten oder Frontplatten sind leider nicht erhältlich. Wir lassen die
A-100-Module schon seit vielen Jahren komplett außer Haus produzieren und
fertigen nicht mehr bei uns selbst. Unsere Produktionsfirmen liefert komplett
montierte und vorgetestete Module. Nur die Endkontrolle und Justierung der
Module findet noch bei uns statt.
A-100 modules are available
only as completely assembled units. Sorry - we do not offer kits,
assembled/unpopulated pc boards or front panels. The reason is that we do no
longer manufacture in-house but receive ready built and pre-tested modules from
our manufacturers. Only the final test and adjustment is still carried out
in-house.
Which modules access CV and Gate of the A-100 bus ?
These modules are able to transmit CV and/or Gate signals to the A-100 bus:
Usually jumpers are available that are used to connect the CV and/or Gate output to the corresponding line of the A-100 bus board. For details please refer to the information page or the user's manual of the module in question. Pay attention that only one Gate or CV transmitter is allowed for each bus segment. Otherwise a short circuit between two outputs is made which may damage the modules. It is possible to divide each bus board into two sections by removing the corresponding jumpers for CV and Gate in the center of the bus board. These jumpers are used to connect the left and right side of the CV or Gate lines of the bus board. If it is required that two or more bus boards have available the same CV and/or Gate signals a special CV/Gate bus connection cable (A-100BC = A-100 Bus Connector)) is necessary. This cable is made of two jumpers which are connected by a wire. If the jumpers of the A-100BC are plugged to the pin headers in the center of the two bus boards the CV and/or Gate lines of both bus boards are connected.
These modules are able to receive CV and/or Gate signals from the A-100 bus:
Usually a jumper is available that is used to connect the CV or Gate input of the module to the corresponding line of the A-100 bus board. For details please refer to the user's manual of the module in question. In some cases the bus signal is added to the other inputs of the module (e.g. A-111-1), in other cases normalling is used (i.e. the switching contact of a socket at the front panel is connected to the bus signal). Other modules may be connected to the CV and Gate signals of the bus too as described on the A-100 DIY page -> Subsequent bus normalling of modules.
If more than 2-3 VCOs are supplied by the same CV buffering of the CV is recommended. For this the modules A-185-1 Bus Access, A-185-2 Precision Adder or A-180-3 Buffered Multiple can be used. The interfaces A-190-2, A-190-3 and A-190-4 feature buffered CV outputs. For these interfaces no additional CV buffers are required. Buffering of Gate signals is usually not necessary.
Welche Module nutzen die Signale CV und Gate des A-100-Busses
Folgende Module können CV und/oder Gate-Signale an den A-100-Bus "senden":
Üblicherweise werden Steckbrücken (Jumper) verwendet, um die CV- und/oder Gate-Leitung des betreffenden Moduls mit dem A-100-Bus zu verbinden. Genauere Informationen finden Sie auf der Info-Seite oder der Anleitung zu dem betreffenden Modul. Grundsätzlich gilt, dass nur ein Gate- oder CV-Sender für jedes Bus-Segment gestattet ist. Andernfalls würde ein Kurzschluss zwischen den CV- oder Gate-Ausgängen hergestellt, der im ungünstigsten Fall eines oder beide Module zerstören kann. Es ist möglich jede Busplatine nochmals in zwei Teile zu trennen. Hierzu müssen die betreffenden Steckbrücken (je eine für Gate und CV) etwa in der Mitte der Busplatine entfernt werden. Diese Steckbrücken dienen dazu, die CV- bzw. Gate-Leitungen des linken und rechten Teils der Busplatine miteinander zu verbinden. Ab Werk sind die Steckbrücken aufgesteckt. Falls zwei Busplatinen mit den gleichen CV- oder Gate-Signalen versorgt werden sollen, so ist ein spezielles Verbindungskabel (A-100BC = A-100 Bus Connector) erforderlich. Dieses Kabel besteht aus zwei miteinander elektrisch verbundenen Steckbrücken. Hierzu werden mit dem Kabel die CV und/oder Gate-Leitungen zweier Busplatinen miteinander verbunden (über die CV/Gate-Stiftleisten in der Mitte der Busplatinen).
Folgende Module können CV und/oder Gate-Signale vom A-100-Bus "empfangen":
Üblicherweise werden Steckbrücken (Jumper) verwendet, um die CV- und/oder Gate-Leitung des betreffenden Moduls mit dem A-100-Bus zu verbinden. Genauere Informationen finden Sie auf der Info-Seite oder der Anleitung zu dem betreffenden Modul. In einigen Fällen wird das vom Bus kommende Steuersignal (CV oder Gate) zu den anderen Steuersignalen des Moduls hinzu addiert (z.B. A-111-1), in anderen Fällen wird "Normalisierung" verwendet (d.h. das vom Bus kommende Signal ist auf den Schaltkontakt einer Buchse geführt und ist nur solange wirksam bis in die betreffende Buchse ein Patch-Kabel eingesteckt wird). Es ist auch möglich Module nachträglich mit CV und/oder Gate des A-100-Busses zu verbinden, falls diese Funktion bei einem Modul nicht vorhanden ist. Nähere Informationen hierzu finden Sie hier: A-100 DIY page -> Subsequent bus normalling of modules.
Falls mehr als 2-3 VCOs von der gleichen CV angesteuert werden sollen, ist die Pufferung des CV-Signals zu empfehlen. Andernfalls kann es zu Problemen im Tuning (speziell bei der Oktav-Reinheit) kommen. Für diese Zwecke sind die Module A-185-1 Bus Access , A-185-2 Precision Adder oder A-180-3 Buffered Multiple geeignet. Die Midi-CV-Interface A-190-2, A-190-3 und A-190-4 verfügen bereits über gepufferte CV-Ausgänge. Bei diesen Modulen ist eine zusätzliche Pufferung der CV-Signale nicht erforderlich.
Using the A-100 for sound processing of external signals
The A-100 can be used to process any audio signal (electric guitar, microphone, midi sound module, computer sound card, CD player, tape-recorder , mp3 player ...). But one has to pay attention to some special features of the A-100:
How to built a Theremin with modules from the A-100 modular system
The standard Theremin uses 2 antennas. One controls the pitch, the other one the loudness. To reproduce the original Theremin four modules of the A-100 are required:
One Theremin (A-178) controls the pitch of the VCO (A-110 or A-143-9). The CV output of this Theremin has to be connected to one of the pitch/tune CV inputs of the A-110 or A-143-9. The second Theremin (A-178) controls the loudness of the VCA. The CV output of this Theremin has to be connected to one of the CV inputs of the A-130. The standard Theremin has a sine wave output like the A-143-9. If you want to use the same waveform the sine output of the A-110 has to be connected to one of the the audio inputs of the VCA. But you may use another waveform too or mix 2 of the waveforms using the 2 audio inputs of the A-130. The audio output of this "Theremin" is the VCA output and is connected to your PA (mixer, amplifier, effects unit ...).
If you do not want to use one of our base frames as case and power supply please refer to the corresponding FAQ (power supply and case for A-100 modules).
But we recommend to use the Theremin modules A-178 for other applications as well. The standard Theremin application described above is only one of many examples how to use the A-178 modules. The A-178 modules can be used also to control the frequency of a VCF (e.g. A-120), VC phaser (A-125), VC effects (A-187-1), modulation speed (A-147), modulation depth (LFO via VCA), attack or decay time (A-141, A-142), panning (A-134). As the Theremin module A-178 is equipped with a gate output it can be used for switching applications as well: e.g. start/stop, controlling a VC switch (A-150) or sequential switch (A-151) or an envelop generator (e.g. A-140).
Another important application is to use the Theremin module A-178 in combination with the quantizer module A-156. The quantizer module can be used to "press" the CV coming from the A-178 into a semitone, scale or chord grid. This means that only CVs corresponding to semitone, major/minor scale or chords are generated.
Suggestions for a minimal Theremin system and a combined Theremin/Sequencer system are available on our web site.
I have problems with some cables in combination with the older miniature jack sockets of the A-100
The 3.5 mm miniature jack sockets used in the A-100 system before about 2002 have been very sensitive to the diameter and shape of the jack plugs of the cables used to interconnect the modules. If you have contact problems with older modules please try the following procedure:

P.S. During 2002 a new type of jack sockets with stronger springs and so-called "curly rear contacts" is used in the A-100. The problem described does not occur for modules manufactured later than about end of 2002. B.t.w. this problem occured for all manufacturers that used these sockets (S6PC, manufacturer: Cliff/England) and not only the A-100 as sometimes claimed.
I have problems when using the old version of the voltage controlled switches A-150 or A-151, or the S&H module A-148 with voltages above +8V or below -8V (e.g. clock, trigger or gate signals)
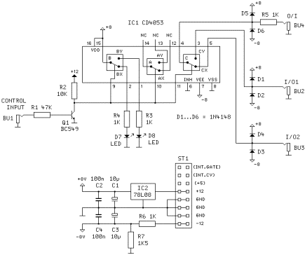
The old versions of the voltage controlled switches A-150/A-151 and the S&H module A-148 are able to process voltages only in the range -8V...+8V. Voltages less than -8V or more than +8V will lead to malfunction of the module ! Please refer to the user's manual of A-150, A-151 resp. A-148 (in the first issues of the manuals this information was missing).
The technical reason is that for the VC switches used in the A-150, A-151 and A-148 (CD4053) the max. voltage difference is about 16V. We placed this voltage range symmetrical around GND so that voltages between -8V and +8V can be processed. When it is desired to process voltages in the range 0...+12V at the I/O resp. O/I in/outputs (e.g. clock, trigger or gate signals) the modification described in the following is the solution. This modification allows to process voltages in the range 0...+12V. Pay attention: in this case no longer negative voltages (e.g. LFO or audio) can be processed. To modify the module A-150 resp. A-151 the internal "+8V" signal has to be connected to +12V and the internal "-8V" signal has to be connected to GND. The simplest solution is to remove the +8V voltage regulator (78L08 = IC2 for A-150 resp. IC3 for A-151) and replace it by a jumper (wire) that connects the internal +8V line to +12V. The resistor R7 (1k5) for A-150 resp. R16 (1k5) for A-151 has to be replaced by a wire/jumper so that the internal -8V line is connected to GND. All these electronic parts are located near the bus connector. After these modifications the voltage range for A-150 resp. A-151 becomes 0...+12V. The schematics of A-150 and A-151 are enclosed below.
|
|
| A-150 schematics | A-151 schematics |
P.S. Since spring 2004 a new version of the A-150 is
manufactured that covers the full A-100 voltage range -12V...+12V. Please look at
the A-150 information for details.
P.S. Since fall 2004 a new version of the A-151 is manufactured that
covers the full A-100 voltage range -12V...+12V. Please look at
the A-151 information for details.
P.S. Since summer 2005 a new version of the A-148 is manufactured that
covers the full A-100 voltage range -12V...+12V.
How to undo the modifications of the A-155 ?
If the sequencer A-155 is connected to the sequencer controller A-154 the former A-155 modifications have to be cancelled. The following document describes how to undo the modifications: A155_Modifications_Undo.pdf
How to remove the springs from the joystick of module A-174 ?
There are two possibilities:
Pay attention that warranty is lost if the joystick is modified !
![]() |
Die folgenden Hinweise sind nur für Experten vorgesehen. Die hier beschriebenen Arbeiten dürfen nur von einem Fachmann durchgeführt werden, der die erforderlichen Sicherheitsbestimmungen kennt und die Einhaltung dieser auch gewährleistet. The following notes are intended for experts onyl. Carrying out of works described in these documents is allowed only for authorized personnel who are familiar with all valid safety rules |
Verdrahtung von Netzeingang, Netzteil und Busplatinen beim A-100
Da hierbei auch Bauteile, Platinen oder Kabel vorkommen, die später
Netzspannung (230/115V) führen, dürfen diese Arbeiten nur von einem Fachmann
durchgeführt werden, der die erforderlichen Sicherheitsbestimmungen kennt und
die Einhaltung dieser auch gewährleistet. Von Laien dürfen diese
Arbeiten auf keinen Fall durchgeführt werden! Lebensgefahr !
Die entsprechenden Hinweise finden Sie als PDF-Dateien unter:
Wiring of the mains inlet, power supply and bus boards
As these works affects parts, pc boards and cables that conduct mains voltage
(230/115V) carrying out of these works is allowed only for experts or authorized
personnel who are familiar with all valid safety rules. Laymen are not
allowed to carry out these works ! Danger to Life.
The corresponding information is available as pdf files:
Ersatz des alten Netzteils (A-100NT12 / 650mA) durch das leistungsfähigere Netzteil (A-100PSU2)
Da hierbei auch Bauteile, Platinen oder Kabel vorkommen, die später
Netzspannung (230/115V) führen, dürfen diese Arbeiten nur von einem Fachmann
durchgeführt werden, der die erforderlichen Sicherheitsbestimmungen kennt und
die Einhaltung dieser auch gewährleistet. Von Laien dürfen diese
Arbeiten auf keinen Fall durchgeführt werden! Lebensgefahr ! Die entsprechenden Hinweise finden Sie als
PDF-Datei unter A100_PSU2_D.PDF
Sinngemäß gelten die Hinweise auch beim Ersatz des A-100NT12 durch A-100PSU3
oder A-100PSU2 durch A-100PSU3.
Replacement of the old power supply (A-100NT12 / 650mA) by the more powerful supply (A-100PSU2)
As these works affects parts, pc boards and cables that conduct mains voltage
(230/115V) carrying out of these works is allowed only for experts or authorized
personnel who are familiar with all valid safety rules. Laymen are not
allowed to carry out these works ! Danger to Life.
The corresponding information is available as pdf file: A100_PSU2_E.PDF
In turn these notes are valid also for the replacement of A-100PSU2 by A-100PSU3
or A-100NT12 by A-100PSU3
Umstellung der A-100 Netzteile (A-100NT12 oder A-100PSU2) auf eine andere Netzspannung
Da hierbei auch Bauteile, Platinen oder Kabel vorkommen, die später
Netzspannung (230/115V) führen, dürfen diese Arbeiten nur von einem Fachmann
durchgeführt werden, der die erforderlichen Sicherheitsbestimmungen kennt und
die Einhaltung dieser auch gewährleistet. Von Laien dürfen diese
Arbeiten auf keinen Fall durchgeführt werden! Lebensgefahr ! Die entsprechenden Hinweise finden Sie als
PDF-Datei unter A100_PSU1_Voltage.pdf,
A100_PSU2_Voltage.pdf.
As these works affects parts, pc boards and cables that conduct mains voltage
(230/115V) carrying out of these works is allowed only for experts or authorized
personnel who are familiar with all valid safety rules. Laymen are not
allowed to carry out these works ! Danger to Life.
The corresponding information is available as pdf files: A100_PSU1_Voltage.pdf,
A100_PSU2_Voltage.pdf